Мощный электрошокер, собранный на умножителе напряжения
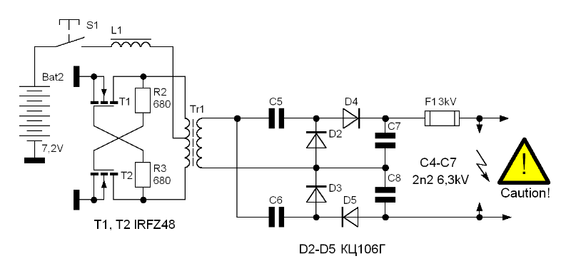
Самым эффективным средством самообороны считается электрошоковое устройство. Оно имеет несколько преимуществ над основными средствами для направленной обороны от нападающих (травматическое оружие, газовые баллончик и т.п.). Конструкций электрошоковых устройств в сети много, мы решили представить свою разработку электрошокера повышенной мощности. Такой вид электрошокера состоит из двух основных частей - высоковольтного преобразователя напряжения и умножителя напряжения.


Выходное напряжение 30.000 Вольт, мощность на выходе 70 ватт (это очень большая мощность, если учесть, что все магазинные электрошокеры имеют выходную мощность не более 3-х ватт.


Инвертор построен по классической схеме мультивибратора на мощных полевых ключах серии ИРФЗ44/48, хотя выбор полевых транзисторов огромный.
Трансформатор мотается на ш-образном сердечнике от китайского электронного трансформатора на 30-50 ватт, такие трансформаторы стоят всего доллар и предназначены для питания 12-Вольтовых галогенных ламп.


Для начала нужно разобрать трансформатор, убрать все штатные обмотки оставив только голый каркас с сердечником. На каркас мотается сначала первичная обмотка, которая состоит из 2х5 витков провода 0,8-1мм. Обмотка мотается сразу двумя жилами. Затем нужно сфазировать обмотки, подключая конец первой половины обмотки к началу второй или наоборот. После обмотку нужно изолировать и мотать вторичную обмотку. Обмотка должна состоять из 700-1000 витков, мотается по слоям, каждый слой 80-100 витков. Межслойные изоляции укладываются самым обыкновенным прозрачным скотчем, Готовый трансформатор не нужно заливать эпоксидной смолой.
Получается довольно стойкий и мощный высоковольтный трансформатор, напряжение с которого подается на высоковольтный умножитель напряжения.


Сам умножитель состоит из высоковольтных диодов типа КЦ106 Г или КЦ123, найти аналог таким диодам довольно трудно, хотя аналогов много, но как право они довольно дефицитные.
Конденсаторы 5 кВ, емкость 2200пФ. Два симметричных умножителя подключенных параллельно, которые заряжаются до 7.5-8 кВ, таким образом выходное напряжение 25-30кВ, зависит от выбранного вами зазора между штыками.


Пробой воздуха доходит до 5 см, но рисковать не стоит, лучше установить зазор в районе 2.5-3см.
Готовый умножитель следует залить эпоксидной смолой, иначе возникнут пробои.


Питание 7,2-7,4 Вольт, емкость аккумуляторов 650-3300мА/час. Можно использовать как никель металл-гибридные и никель кадмиевые, так и литий ионные/полимерные аккумуляторы - с указанным напряжением мощность в районе 40 ватт, а мощность 70 ватт была получена с питанием 12 Вольт 1100мА/ч.
Данное устройство может быть изготовлено под заказ – [email protected].







>>>ПОЛЕЗНЫЕ СТАТЬИ<<<