Программатор. Схема программатора. Универсальный программатор.
Вообще-то мысль об универсальном программаторе возникла давно, хотя эта история началась с того что, "умер" БИОС и нужно было срочно найти программатор, чтобы сделать его прошивку.
Дело в том, что не было возможности сделать перепрошивку "на горячую" , по причине того, что плата не запускалась, а аналога просто не было под руками. Проанализировав то, что продавали на рынке, выяснилось, то, что предлагают, или продают дорого, или - это варианты одного и того же программатора.
Поискав инфу в интернете, было принято решение попробовать воспроизвести опубликованный на сайте http://willem.org программатор Willem Eprom (На сайте есть возможность подробнее познакомиться с возможностями программатора, историей создания, а также скачать программное обеспечение).
Понравилось то, что программатор шьет буквально все, что можно прошить, и его разработка, в отличии от других программаторов, постоянно развивается, причем совершенствуется не только программа, но и "железо".
Повторив представленную схему, мысли о разработке чего-то своего "с нуля" сразу отпали сами собой. Разработчикам программатор и в самом деле удался.

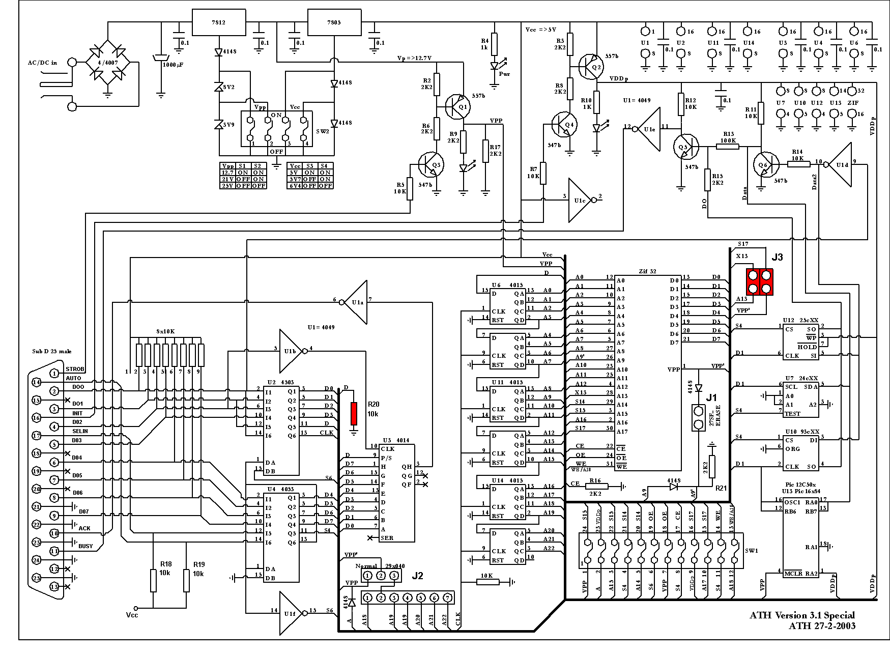
Основой была схема и топология ATH Version 3.1 Srecial. После повторения, немного изменилась топология печатной платы. Внесенные изменения незначительны, поэтому исходная идея практически не изменилась.
Печатная плата исполнена на одностороннем текстолите, это делает ее недорогой и доступной для самостоятельного изготовления. Безошибочно собранная схема не требует никаких настроек и начинает работать сразу. Подключается плата к LPT-порту с помощью кабеля DB25F-DB25M, распайка "один в один".

Принципиальная схема программатора в формате .pdf
Принципиальная схема программатора в формате .png
Дополнение к схеме программатора
Список программируемых микросхем в формате .pdf
Топология печатной платы программатора в формате .gif
Топология печатной платы программатора (v.3.1) в формате Sprint LayOut
Расположение элементов на плате программатора
Расположение элементов на плате программатора, положение джамперов
Фото программатора с использованием ZIF-32
Спецификация (список используемых компонентов)
Прогрмаммное обеспечение: Willem Eprom Version 0.97ja