Прослушка. MEGA-BOX.
В связи с полученными разведданными об изменениях радиационной обстановки в районе Гондураса, а также неожиданным появлением бабки в пределах досягаемости тактического оружия, возникла мысль, что хорошо бы вспомнить тему классического PHREAKа ака BOXINGа (не путать с набиваем ебальников и перчатками ;-) почему-то незаслуженно забытую... Идея втом, что надо собрать вместе несколько боксов для получения мега-девайса который даст нам все что нужно для работы с телефоном. А именно lunch box - известный всем телефонный баг, color box - интерфейс для записи, rock box - для просвещения всех уебанов правильной музыкой, и конечно же bud box - я же обещал что мы сможем звонить бабке ))
THE STORY
Идея создания девайса появилась в середине 90х когда чурбаносы повылезали на базары и стали продавать свою хуетацию в числе которой был известный каждому телефон-трубка. Мы брали эти трубки, отхуяривали провода и сажали на них крокодилы, а потом ходили по дворам и подъездам и подключались к чужим телефонам. Процесс был дико занимательный. Когда надоело звонить пошли разные приколы вроде идите нах, монтер на линии атс. Также подставляли перед определителями и ментами. Затем это уже окончательно надоело. Но с тех осталась мысль создать такой девайс габаритом со спичечный коробок, чтоб не обламывало носить с собой.
Займемся делом...
Трубка телефониста, ака Beige (Bud) box, не что иное, как простейший телефон. В оригинале это здоровая трубка с дисковой набиралкой посередине, которому буржуи дали название по ее цвету. У нас её скорее надо называть синий бокс, т.к. у монтеров они постоянно в разъебанном состоянии и перемотаны со всех сторон синей изолентой, да и сами монтеры такие же, как правило )) Такую трубу можно подключить в любом месте на линии и звонить (бабке нах ;-))) либо слушать че передает вражеское радио )) И конечно ее можно оставить на линии на случай если бабка перезвонит вам )) Для нашего мега проекта подойдет даже такая херня, или любой готовый телефон подходящих резмеров (только не полевой бля! :-). Но лучше всего собрать ее самому, что я и предлагаю сделать..
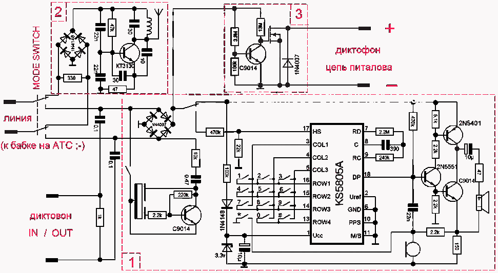
Поясняю далее.. Lunch box )) кто его так назвал и почему, я хз, если интересно можешь полезть в историю фрика, но мне чесно говоря это пох - баг он и есть баг. Rock box это девайс для трансляции по линии правильной музыки (к примеру Rammstein), который не даст нормально базарить всяким охуевшим личностям зато потихоньку их осадит. К тому же в нашем варианте этот девайс комбинирован с записывалкой т.е. работает только когда надо и засечь его практически невозможно.За основу девайса (beige box) взята схема все той же трубки телефона. Это самое простое шо можно замутить, но, как известно, предела фантазии не существует так что эта схема только для оринтации в пространстве - делай с ней че хош.

Основной блок (телефон) проходит под цыфрой 1. Не смотри на схему такими глазами ))) все на самом деле очень просто. Все это размещается в половине спичечного коробка! Т.к. в микрухе уже есть практически все что надо для телефона, к ней прикручивается только клава, звонок и разговорная схема. На одной плате с телефоном стоит еще и интерфейс диктофона (color/rock box). Почему именно так? да просто для экономии проводов тк по схеме он стоит на одном мосте с телефоном и я решил что нет смысла отводить его отдельно, тем более на плате еще оставалось место. А вот баг наоборот монтируется отдельно, тк если его поместить на основной плате место будет использоватся слишком нерационально, и в коробок спичек ето уж точно не влезет! Итак дыбаем на монтажку:


После сборки основной платы, пока без клавы, идем дальше. А именно начинаем тестировать. Ставим переключатель телефона в положение TALK (верхнее по схеме) и подключаем девайс к линии. В наушнике должен быть четкий и громкий диал тон (гудок бля). Если его нет проверяй все еще раз - схема собранная из новых деталей 100% работает и не требует настроек. Но если все же не повезло действуем так. Отключаем 18 ногу от схемы. Если появился гудок значит микруха ушла в мир иной. Еще раз проверяем все, в случае заебись - меняем микруху и получаем наконец то нормальный гудок. Теперь берем пинцет и замыкаем микруху посередине (ноги 5 и 14) - должна набраться девятка. Таким образом можно даже каму-то позвонить, только не бабке, т.к. с недоделанным девайсом она тебя пошлет нах ;-) Переводим свич в положение STANDBY и тестим звонок - к примеру звоним себе с мобилы. Есле и тут все ок, можно переходить к следущему испытанию ))) На этом этапе у тебя уже на руках должно быть нечто вроде этого:

Изготовляем клаву. Тут дох... вариантов, можно юзать готовую к примеру от калькуляторов, пультов, етс, можно набрать из кнопачек от злых китайских приемников (что сделал я) а можно заюзать к примеру ГЕРКОНЫ - гиморно зато набирать номер магнитным пером это стильно :-)) Кнопочный вариант выглядит примерно так:


После изготовления клавы и теста всего девайса можно смело заливать термоклеем, припаивать провода атс... В итоге всего этого получится вот такой девайс:


Руководство пользователя :-)
Начнем юзать наш девайс. Ставим MODE SWITCH на телефон (нижнее па схеме). Конектим девайс к линии, ставим переключатель телефона в TALK. ЗВОНИМ БАБКЕ !!!! НАКОНЕЦТО НАХ!!!! После базара ставим телефон в режим STANDBY - и теперь ОНА может перезванить ТЕБЕ :D )))) Чтобы создать новые хиты мегаЛОЛа все это следует записать. Для чего конектим диктофон и audio выход на его микрофонный вход. Усе процесс пошел. Диктофон не зависит от того включен сам телефон в режим STANDBY или TALK - что позволяет юзать весь девайс только как color box. Включаем музон )) Переключаем audio на выход диктофона или плеера вместо наушников. NOTE: если в плеере стерео выход то ни в коем случае нельзя замыкать каналы! (это я говорю к вопросу распайки штекера) Теперь при каждом поднятии трубки будет слышен фирменный отборный музон, никакой цензуры или рекламы )) Передаем в эфир )) Ставим MODE SWITCH на баг и конектим девайс в РАЗРЫВ линии (ну как обычно).. и все.. радио новая волна в действии..
Оказывается, для подключения к проводам очень юзабельны силовые канцелярские кнопки. Для распиздяев поясняю ето такие мини иголки с пластиковыми шляпками так что их можно воткнуть очень мощно )) Так вот берем эту кнопку и втыкаем в провод (лапшу), после чего можно спокойно цеплять на них крокодилы и звонить бабуле.. К тому же эти кнопки разных цветов так, что можно заранее повтыкать их на местности где планируется действие и таким образом маркировать разные линии. После их изъятия обнаружить место фтыка практически нереально. В итоге девайс можно оформить как некий наборчик ))


автор lamazoid