Лабораторный регулируемый блок питания 0-30 В, 0-1 А
Регулируемый источник питания является одним из основных приборов в электронной лаборатории, ателье или на рабочем месте каждого электронщика. Представленный источник, несмотря на простоту конструкции, имеет хорошие характеристики.
Он имеет возможность плавной регулировки выходного напряжения в диапазоне от 0 до 30 В, а также плавной регулировки силы тока до 1 А.
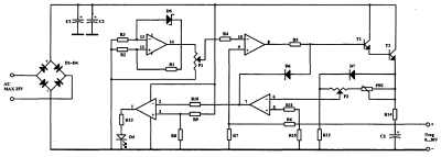
Вся схема построена на четырехкаскадном операционном усилителе типа LM324. Каскад "D" работает как источник напряжения смещения.

Схема электрическая принципиальная регулируемого блока питания
Каскад "В" служит для измерения выходного тока, в то же время схема "А" работает как компаратор, управляющий светодиодом, сигнализирующим состояние перехода источника тока в состояние стабилизации тока. Потенциометр Р1 служит для регулировки выходного напряжения.
Потенциометром Р2 регулируется порог ограничения тока источника. Монтажным потенциометром PR1 следует установить верхний предел регулировки тока следующим образом: потенциометр Р2 установить в максимальное значение. Выход источника тока нагрузить, например проволочным резистором с сопротивлением в несколько ом.
В разрыв с резистором включить амперметр. Регулируя выходное напряжение, установить ток, протекающий через резистор, на 1 А. Покручивая монтажным потенциометром PR1, добиться зажигания светодиода. Весь источник тока смонтирован на одной печатной плате. Выходной транзистор Т2 необходимо прикрепить к радиатору поверхностью не менее 1 дм2.

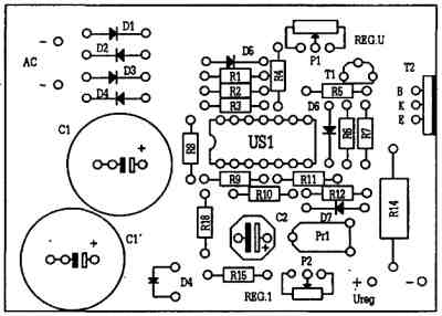
Монтажная плата регулируемого блока питания
Питающий трансформатор должен подавать напряжение не более 25 В, так чтобы напряжение на конденсаторе С1 не было более 33 В (допустимая величина для схемы LM324). Ток нагрузки трансформатора должен быть, по крайней мере, равным максимальному току нагрузки источника тока.
Система, собранная согласно схеме, действует правильно сразу же после включения питания. Выход источника питания необходимо блокировать конденсатором, не имеющим собственной индуктивности, например керамическим, емкостью 100 нФ/50 В как можно ближе к выходным зажимам.
Добавив к источнику тока измеритель тока и напряжения, можно значительно увеличить комфорт при использовании прибора. Измерить ток можно, подключив милливольтметр непосредственно к выводам резистора R14. Измерение напряжения производится, подключая милливольтметр к выходу источника питания через делитель 1:10.
Электронные компоненты используемые в схеме регулируемого блока питания 0-30 В, 0-1 А
| US1 | LM324 | R1.R4, R12 | 10 кОм | |
| Т1 | ВС337, ВС338, SF827 | R2.R13.R15 | 4,7 кОм | |
| Т2 | BD283, 285, 911,539 | R3 | 2,2 кОм | |
| D1-D4 | 1 N4001-1 N4007 | R5 | 3,3 кОм | |
| D6, D7 | 1N4148 | R6 | 100 кОм | |
| D5 | BZX683C5V6 | R7 | 39 кОм | |
| Светодиоды | Подходящий тип | R8 | 22 кОм | |
| С1.С1 | 2 1-1000 мкФ/40 В | R9 | 47 кОм | |
| С2 | 47-100 мкФ /40 В | R10 | 18кОм | |
| Р1.Р2 | 10 кОм/А | R11 | 1 кОм | |
| PR1 | 4,7 кОм | R14 | 1 Ом 2 Вт |

Расположение выводов используемых электронных компонентов