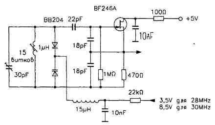
Генератор, управляемый напряжением, 28-30 МГц
Подстроечный конденсатор емкостью 30 пФ и сердечник катушки, используемые при сборке представленного генератора, настраиваются таким образом, чтобы при изменении напряжения на варикапе перекрывался предусмотренный диапазон частот.
