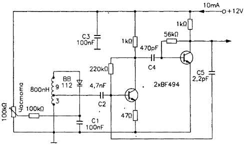
Генератор, управляемый напряжением, 5,5-30 МГц
Амплитуда выходного напряжения генератора составляет несколько вольт. Подключение базы транзистора к контурной катушке производится в точке, отстоящей от «холодного» конца на 1/4 или 1/3 от общего количества витков.
Чтобы схема не начала работать в режиме мультивибратора, у конденсатора С2 должна быть достаточно большая емкость.
