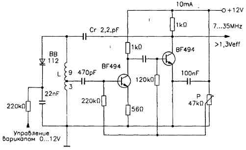
Генератор, управляемый напряжением, 7-35 для управления логическими цепями
Данное устройство обеспечивает большое отношение частот fmax/fmin, так как повышенный коэффициент усиления позволяет использовать конденсатор CR очень маленькой емкости.
Амплитуду выходного сигнала позволяет регулировать потенциометр Р, но для расширения пределов регулировки два резистора, отходящие от него, могут также присоединяться к шине питания +12 В.
Контурная катушка диаметром 10 мм содержит 7 витков провода диаметром 0,6 мм. Длина намотки 7 мм, отвод делается от третьего витка, считая от «холодного» конца.
