Генератор LC 10-30 МГц
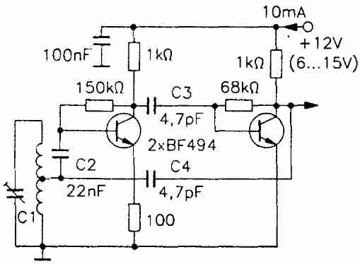
Изображенный на схеме генератор может быть использован на частоте до 60 МГц. Амплитуда выходного сигнала составляет несколько вольт.
Емкости конденсаторов связи (С3, С4) должны быть относительно небольшими. Это позволяет избежать блокировки колебаний, возникающей за счет длительных процессов перезаряда этих конденсаторов.
