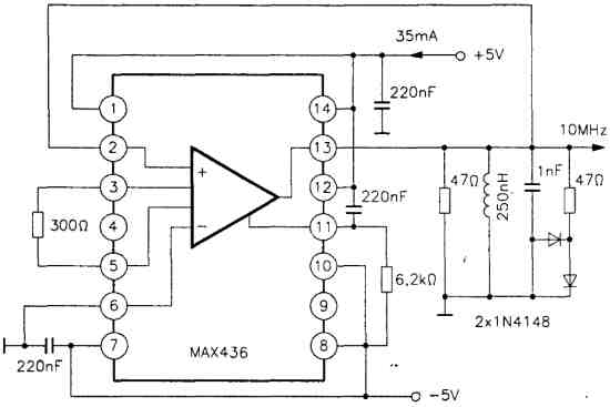
Генератор с регулировкой на микросхеме MAX436
Работая с общей обратной связью (выход соединен с положительным входом), усилитель с активной динамической проводимостью создает достаточное отрицательное сопротивление, чтобы компенсировать затухание резонансного контура (47 Ом). Диоды служат для регулировки амплитуды колебаний. Уровень искажения 1%.
