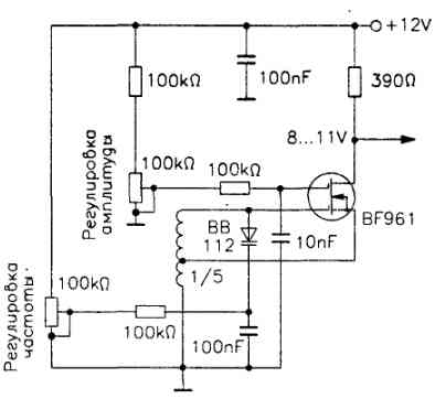
Генератор, управляемый напряжением, на полевом МОП транзисторе
Амплитуда регулируется до получения на выходе размаха напряжения 2 В.
Намотка контурной катушки с малой распределенной емкостью позволяет получить отношение частот, равное по крайней мере 5,5 (например, от 7 до 40 МГц).
Для этого нужно установить транзистор непосредственно на катушке, не проходя через печатную плату.
Амплитуда выходного сигнала тогда также повышается в два раза.
