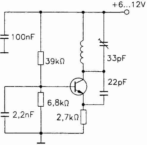
Генератор метровых волн с общей базой
Поддержание постоянной частоты колебаний происходит за счет малой емкости между коллектором и эмиттером. База заземлена по переменному току конденсатором большей емкости.
Напряжения коллектора и эмиттера находятся в противофазе по отношению к базе. Устойчивая генерация колебаний возможна только с достаточно высоких частот (несколько десятков мегагерц), когда осуществляется достаточный поворот фазы.
