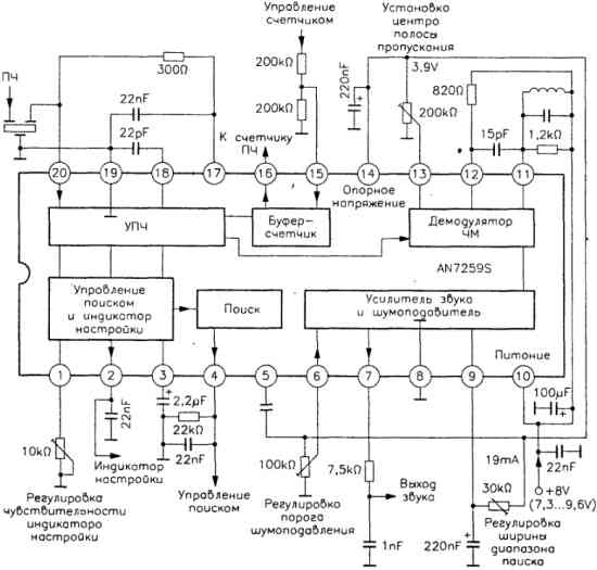
УПЧ для автоматического поиска станций на микросхеме AN7259S
Представленная схема содержит усилитель промежуточной частоты, частотный демодулятор, предварительный усилитель, низкой частоты, а также цепи, необходимые для внешнего управления автоматическим поиском станций с автоматическим согласованием в центре полосы пропускания ПЧ.
Порог ограничения УПЧ составляет 30 дБмкВ, коэффициент подавления амплитудной модуляции достигает 50 дБ. Уровень выходного звукового сигнала равен 175 мВ при внешней нагрузке 300 Ом.
