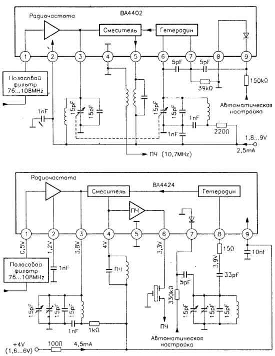
Преобразователь 76-108 МГц на микросхемах BA4402 И BA4424
Микросхема ВА4424 отличается от ВА4402 наличием буфера ПЧ, который снабжен выходным сопротивлением 330 Ом, согласующим его с керамическим фильтром, который настроен на 10,7 МГц.
Напряжение гетеродина должно составлять 250 и 400 мВ для микросхем ВА4402 и ВА4424 соответственно. Усиление преобразования около 36 дБ в обоих случаях. Уровень сигнала на выходе доходит до 50 мВэфф. Номинальная емкость варикапа равна 13 пФ.
