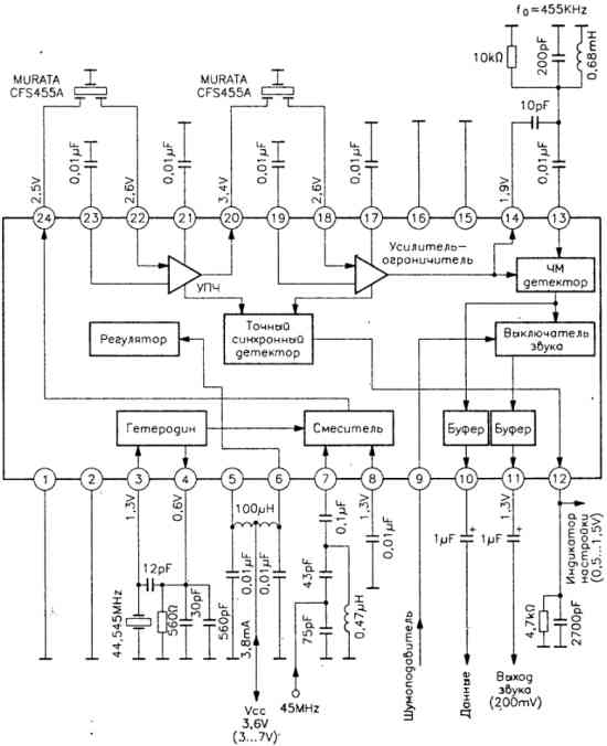
Обработка сигнала узкополосной ЧМ на микросхеме CXA1293N
Устройство рассчитано на работу с первым УПЧ, настроенным на частоту 45 МГц, за которым следует преобразователь на вторую промежуточную частоту 455 кГц.
Коэффициент усиления составляет 12 дБ для преобразователя, 48 дБ - для УПЧ, 72 дБ - для ограничителя. Коэффициент нелинейных искажений менее 1%, отношение сигнал/ шум более 40 дБ, подавление амплитудной модуляции не менее 30 дБ.
