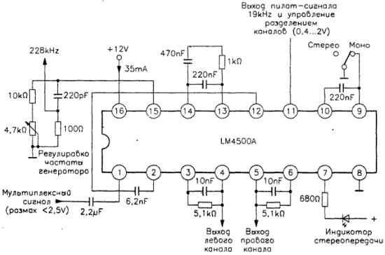
Стереодекодер на микросхеме LM4500
Коэффициент нелинейных искажений этого устройства составляет 0,1%, отношение сигнал/шум 80 дБ. Напряжение управления, поступающее на вывод 11, предназначено для постепенного сложения двух каналов, чтобы оптимизировать отношение сигнал/шум при слабом приеме.
