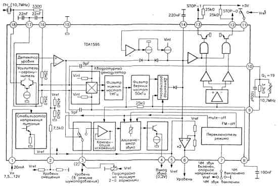
УПЧ и демодулятор на микросхеме TDA1596
Отношение сигнал/шум данного устройства, составляет 73 дБ, коэффициент нелинейных искажений 0,1% на частоте 1 кГц. Выходы «стоп» предназначены для управления автоматическим поиском станций.

Отношение сигнал/шум данного устройства, составляет 73 дБ, коэффициент нелинейных искажений 0,1% на частоте 1 кГц. Выходы «стоп» предназначены для управления автоматическим поиском станций.

© 2008 Электроника для начинающих | Programming V.Lasto | Povered by Nano-CMS | Designer S.Gordi