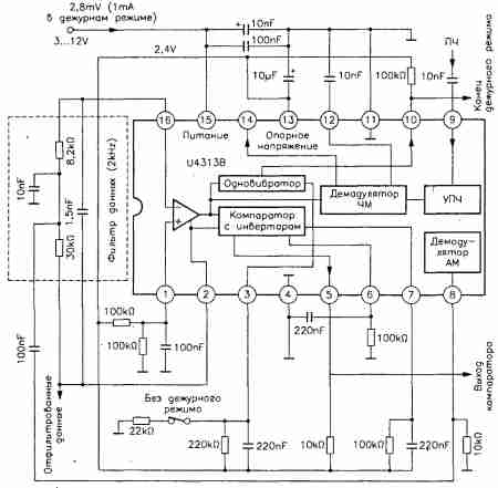
УПЧ и демодулятор для дистанционного управления на микросхеме U4313B
Устройство используется для дистанционного управления системами тревоги, защиты или предохранения от открытия дверей. Оно включает в себя УПЧ, демодулятор и цепь формирования цифровых сигналов.
Пока уровень входного сигнала (вывод 9) ниже 40 дБмкВ, порог УПЧ и демодулятор AM работают. Но, как только порог будет превзойден, срабатывает одновибратор. От него питаются другие цепи схемы. Они воздействуют на вывод 10 так, чтобы перевести его в состояние «1» (управление питания микропроцессора).
Постоянная времени цепи RC, подключенной к выводу 3, определяет длительность возвращения к дежурному режиму, тогда как элементы, подключенные к выводам 6 и 7, отвечают за работу компаратора. При необходимости эти элементы следует подобрать для согласования с использованным кодом передачи.
На выходе демодулятора происходит изменение напряжения примерно на 1 В при изменении частоты на 200 кГц. Входной импеданс ПЧ (8-12 МГц) составляет 330 Ом с параллельной емкостью 5 пФ. Есть и версия подобного устройства на компараторе без инвертора на микросхеме U4311.
