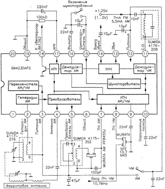
Приемник АМ/ЧМ на микросхеме BA4230AFS
Переключение устройства с приема амплитудной модуляции на частотную и обратно осуществляют, отключив питание неиспользуемых цепей.
Управление подавителем шумов за счет подключения вывода 15 к общей шине действует только на вывод 14, тогда как демодулирован-ный сигнал ЧМ остается доступным на выводе 13.
При амплитудной модуляции сигнал звука оказывается на единственном выводе 14 с уровнем 45 мВэфф для 74 дБмкВ на входе. Предельная чувствительность для 10 мВэфф на выходе составляет 15 дБмкВ.
При частотной модуляции чувствительность равна 55 мВ.. для 100 дБмкВ на входе, с коэффициентом нелинейных искажений 0,2% и отношением сигнал/ шум, равном 60 дБ. УПЧ характеризуется входным сопротивлением 300 Ом и 2 кОм при частотной и амплитудной модуляциях соответственно.
Для индикации настройки с помощью светодиода необходимо дополнительное питание напряжением по меньшей мере 2 В. Однако в отсутствие светодиода напряжение на выводе 18 может быть использовано для управления декодером моно/стерео такого типа, как BA1362F.
