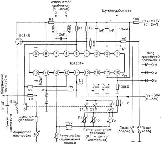
Автоматический поиск станций на микросхеме TDA2614
Устройство, представленное на схеме, предназначено для приема радио- и телевизионных сигналов и работает по аналоговому принципу. Поиск останавливается или продолжается в зависимости от потенциала на выводе 18.
Сопротивление некоторых резисторов зависит от напряжения питания. Если Vp1 = Vp2 = 8,5 В, тогда R1 = 180 кОм, R2 = 82 кОм, R3 = 220 кОм, R4 = 68 кОм, R5 = 68 кОм. Если Vp1 = 15 В и Vp2 = 30 B, то R1 = 1,5 МОм, R2 = 150 кOм, R3 = 390 к0м, R4 = 100 kOm, R5 = 150 кОм.
