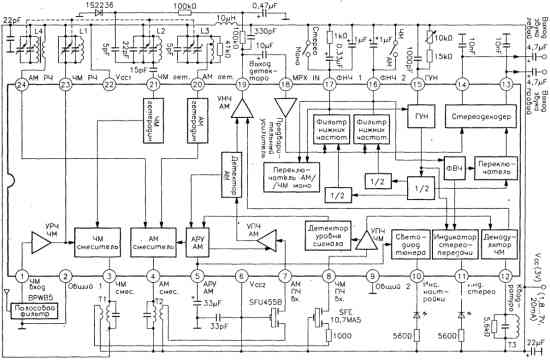
Стереофонический приемник АМ/ЧМ на микросхеме TDA7222 с питанием 3 В
При уровне частотно-модулированного входного сигнала, составляющего 80 дБмкВ, на выходе получается 0,08 В с отношением сигнал/шум, равном 70 дБ, и коэффициентом нелинейных искажений 0,4%. Коэффициент подавления амплитудной модуляции составляет 32 дБ.
