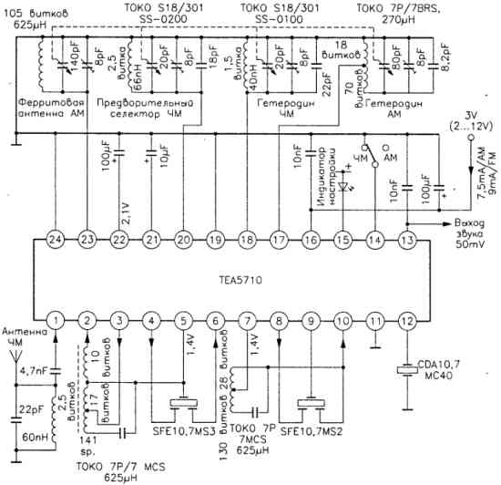
Приемник АМ/ЧМ на микросхеме TEA5710 с питанием 3 В
Коэффициент нелинейных искажений данного приемника 0,8% при приеме сигнала с амплитудной модуляцией и 0,3% - с частотной.
Чтобы достичь величины отношения сигнал/шум 26 дБ, уровень сигнала на входе AM должен быть равен 55 мкВ, а на входе ЧМ 2 мкВ. Предельный уровень сигнала на входе составляет 300 мВ.
