Стереофонический приемник АМ/ЧМ на микросхеме TEA5711 с питанием 3 В
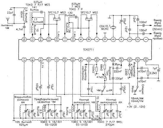
Данное устройство представляет собой версию использования микросхемы ТЕА5711 для создания стереофонического радиоприемника.

Данное устройство представляет собой версию использования микросхемы ТЕА5711 для создания стереофонического радиоприемника.

© 2008 Электроника для начинающих | Programming V.Lasto | Povered by Nano-CMS | Designer S.Gordi