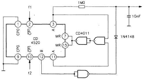
Компаратор фаза/частота на трех триггерах
В данном устройстве используется первый триггер (А) одного из че-тырехкаскадных делителей микросхемы CD4520 и два первых триггера (А и В) другого.
Когда частота f2 больше f1 выходное напряжение ограничено порогом диода. В противном случае оно соответствует четверти напряжения питания.
