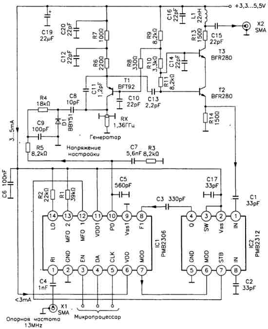
Синтезатор частоты на микросхеме PMB2306
Такой синтезатор частоты используется в системе мобильной связи GSM. Вход RI микросхемы РМВ2306 рассчитан на частоты до 100 МГц, вход FI (>0,2Bэфф) - до 220 МГц.
Устройство содержит три программируемых микропроцессором делителя частоты, соответственно с коэффициентами деления от 0 до 127, от 3 до 4095 и от 3 до 65535.
Вывод 12 - выход, вывод 13 - порт входа/выхода, вывод 14 -выход детектора блокировки.
Микросхема РМВ2312 используется в качестве предварительного делителя.
