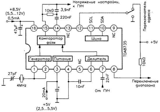
Синтезатор частоты на микросхеме TDA8735
Данный синтезатор частоты применяется в приемниках радио, телевидения, спутникового вещания. Может быть использован для работы на частоте до 30 МГц без предварительного делителя. Шаг частотной сетки 1, 10 или 25 кГц.
