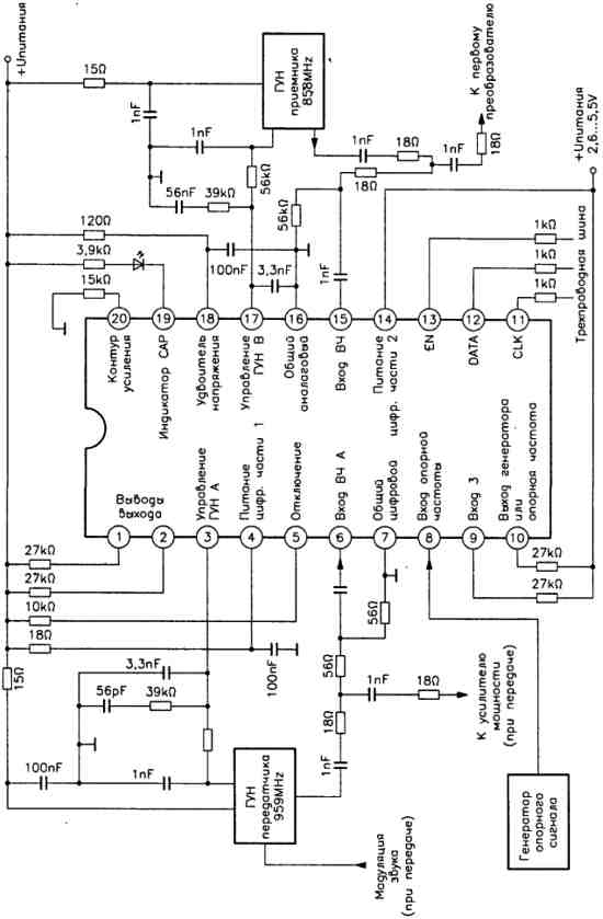
Двойной синтезатор частоты на микросхеме UMA1015
Генерируемая синтезатором частота составляет 959 Мгц, а частота принимаемого сигнала 914 МГц.
Первая промежуточная частота равна 58,1125 МГц, разнос частот между каналами 12,5 МГц.
Главные делители работают в диапазоне частот 50-1100 Мгц, главный делитель опорного сигнала (вывод 8) на частоте до 35 МГц, фазовый компаратор - от 10 до 750 кГц.
Выходной уровень интегрированного удвоителя напряжения (вывод 18) ограничен величиной 6 В.
