Усилитель мощности низкой частоты 100 Вт на микросхеме TDA7294
Усилитель мощности низкой частоты класса Hi-Fi. В нем предусмотрена защита выходного каскада от короткого замыкания, термозащита (переключение усилителя при перегреве при чрезмерных нагрузках на пониженную мощность), защита от скачков напряжения, режим отключения (Standby), режим включения/отключения входного сигнала (Mute), а также защита от «щелчка» при включении/выключении.
Назначение выводов приведено в табл. 1.0, а основные техниче¬ские характеристики — в табл. 1.1.
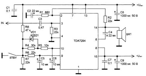
Схема включения представлена на рис.1
Изображение печатной платы приведено на рис.2
Схема расположения элементов на плате изображена на рис.3
Таблица 1. Назначение выводов микросхемы TDA7294
Номер вывода | Назначение |
1 | Общий |
2 | Инвертирующий вход |
3 | Неинвертирующий вход 1 |
4 | Неинвертирующий вход |
5 | Не используется |
6 | Вывод схемы вольтдобавки |
7 | Напряжение питания входного каскада |
8 | Напряжение питания входного каскада |
9 | Вывод включения/отключения напряжения питания (режим покоя) |
10 | Вывод включения/отключения (переключения) входного сигнала |
11 | Не используется |
12 | Не используется |
13 | Напряжение питания выходного каскада |
14 | Выход |
15 | Напряжение питания выходного каскада |
Таблица 2. Основные технические характеристики микросхемы TDA7294
Параметр | Значение |
U пит1 | -10...-40 В |
U пит2 | +10...+40В |
I вых | 2 А |
I покоя | 60 мА |
P вых. | 100 Вт |
R вх. | 100 кОм |
Коэффициент усиления | 30 дБ |
Полоса частот | 20-20 000 Гц |
Коэффициент гармоник | 0,01% |
R нагр. | 8 Ом |
Рис. 1. Типовая принципиальная схема усилителя

Рис. 2. Изображение печатной платы усилителя

Рис. 3. Схема расположения элементов на плате усилителя
