Реверсивное автоматическое зарядное устройство для NiCd аккумуляторов.
Предлагаемое устройство (рис.1) предназначено для автоматической зарядки ассиметричным током и тренировки NiCd аккумуляторных батарей. Зарядка производится стабильным током, равным 1/10 от ёмкости аккумуляторной батареи. Ток разрядки выбран примерно равным зарядному. Существенного влияния на эксплуатацию батареи это, как показала практика, не оказывает (при сохрании малой длительности импульса разрядки), однако позволяет снизить время разрядки полностью заряженной батареи до разумных пределов.


Рис.1
Иногда бывает полезным также провести «тренировку» аккумуляторной батареи, подвергнув её нескольким циклам заряд – разряд. Прежде всего, необходимость в этом возникает при покупке новых аккумуляторов, вероятнее всего долго хранившихся в полуразряженном состоянии. Устройство позволяет производить тренировку батареи, если это необходимо, в автоматическом режиме, заряжая аккумуляторы до некоторого порогового напряжения с последующей разрядкой.
При тренировке только что приобретённых аккумуляторов для полного восстановления работоспособности количество таких циклов должно быть не менее четырёх. Если тренировка не требуется, то автомат используется в качестве обычного зарядного блока с отключением по достижении полной зарядки аккумуляторной батареи.
Если установленная батарея не полностью разряжена, то цикл работы начинается с разрядки, если же аккумуляторы, подключенные к схеме, разряжены очень глубоко (напряжение ниже порога окончания разрядки), то устройство начинает работу с зарядки. Коммутация режимов происходит при помощи всего одного переключателя, а индикация активного режима работы двумя светодиодами.
Технические характеристики:
(оригинал)
Ток зарядки – 100…110ma.
Ток разрядки –80…100ma.
Напряжение автоматического отключения зарядки – 17,13в.
Напряжение автоматического запуска зарядки – 11,4в.
Длительность импульса зарядки ~ 200mсек.
Длительность импульса разрядки ~ 25mсек.
Количество элементов в обслуживаемой батарее – 12
Номинальная ёмкость одного элемента – 1000ma/ч.
Питающее переменное входное напряжение – 25в.
Собственный потребляемый ток не более – 50ma.
Схемотехника и работа зарядного устройства.
На таймере DA1 выполнен триггер Шмита с регулируемыми порогами срабатывания. Резистором R4 устанавливается минимальное напряжение, до которого батарея может быть разряжена в устройстве, резистором R7 – максимальное напряжение при котором прекращается зарядка. Эталонное напряжение для работы триггера формируется интегральным стабилизатором IC1 и внутренним резистивным делителем DA1.
Этот же стабилизатор используется для питания остальной части схемы. Триггер управляет работой генератора DA2, формирующего импульсы для источников тока на транзисторах VT1-VT4.
Работу схемы удобно рассмотреть, предположив, что к выходным клеммам подключена аккумуляторная батарея с ЭДС, несколько превышающей минимальную (11,4в. в оригинале), выставленную резистором R4. При этом на выводе 3 DA1 устанавливается напряжение близкое к нулю, которое, поступая на вывод 4 DA2, блокирует работу генератора.
Соответственно на выв. 3 DA2, также низкий уровень напряжения, а внутренний транзистор DA2 (коллектор которого подключен к выводу 7) открыт. Низкий уровень с выв.3 DA2 закрывает эмиттерный повторитель на транзисторе VT1, и VT3 (который совместно с VD8 и R15 представляет из себя параметрический стабилизатор тока зарядки) и зарядка батареи блокируется.
Протекающий через внутренний транзистор DA2, ток, открывает VT2, зажигается индикация « Разрядка » и напряжение со светодиода и стабилитрона VD6 подается на базу транзистора VT4 разряжающего аккумуляторы стабильным током. Величину разрядного тока можно легко изменить, подобрав соответствующим образом номинал резистора R14. Разрядный ток приблизительно задается как: 4,7в./R14, где 4,7в. – суммарное напряжение на светодиоде и стабилитроне, за вычетом падения напряжения на переходе база-эмиттер транзистора VT4.
Разрядка батареи продолжается, пока напряжение на ней не уменьшится до уровня окончания разрядки. Когда напряжение, снимаемое с движка резистора R4, упадёт до 1/3 Vпит. DA1, на выводе 3 установится высокий уровень. Генератор на DA2 (на этом таймере собран несимметричный мультивибратор, стробируемый по выводу 4) запускается, на его выходе 3 появляется импульс высокого напряжения, транзистор VT1 открывается, а внутренний транзистор микросхемы DA2 закрывается, отключая от батареи цепь разряда.
Протекающий через VT1 ток, открывает транзистор VT3, заряжая батарею аккумуляторов током который можно определить из соотношения 3,2в./R15. Причем, если цепь заряда управляется по выводу 3 генератора, то разрядная цепь активируется открытым транзистором микросхемы DA2 (выв.7), являющимся инверсным выходом по отношению к выв. 3. С появлением на выв. 4 DA2 высокого уровня напряжения, начинается зарядка конденсатора C6 через резистор R8.
Как только напряжение на нём достигнет порога переключения DA2, на выводе 3 установится низкий уровень, который относительно быстро (через VD5, R9, R8) разрядит конденсатор. На всё время действия низкого уровня на выходе генератора зарядная цепь (R10, VT1, LED1, VD8, VT3, R15) заблокирована, а разрядная (R11, R12, VT2, R13, LED2, VD6, VT4, R14) активна и наоборот.
При указанных на схеме номиналах элементов, генератор вырабатывает импульсы положительного напряжения длительностью примерно 200mсек, длительность пауз – 22…30mсек. В этом режиме попеременно зажигаются оба светодиода, что выглядит как мерцание индикаторов.
Таким образом, устройство формирует на выходных клеммах (в режиме зарядки) импульсы асимметричного тока разной длительности. Если переключатель SP1 не замкнут, то схема циклически разряжает – заряжает аккумуляторную батарею. Если замкнуть переключатель во время действия цикла разрядки (горит только LED2 «Разрядка») то устройство остановится - зарядная цепь не действует, а открытый внутренний транзистор DA1 (выв.7) шунтирует VD6, LED2, прекращая разрядку.
Если же нажать на переключатель во время действия зарядки (оба индикатора мерцают), то схема остановится только после полной зарядки аккумуляторной батареи и будет находится в этом состоянии неопределённо долгое время. Если отжать переключатель, то автомат снова вернётся к циклам тренировки.
Важно помнить, что данное устройство не предназначено для постоянного подключения к аккумуляторной батарее! Полезным будет разместить на корпусе автомата мнемосхему, поясняющую принцип работы (см. рис. 2).

Рис.2
Здесь для индикации разрядки выбран светодиод зелёного цвета свечения, для индикации наличия зарядного тока – красный.
Детали и конструкция зарядного устройства.
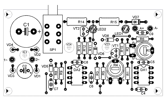
Устройство собранно на печатной плате из фольгированного стеклотекстолита толщиной 2мм. Чертёж печатной платы показан на рис.3. Размеры печатной платы 82 – 44 мм.

Рис.3
Чертёж платы обращён – при распечатке на принтере, фотошаблон платы прикладывается к заготовке стороной покрытой тонером. Расположение деталей на плате см. рис.4.

Рис.4
В устройстве применены детали следующих типов: конденсаторы C1 и C2 импортные тип. К50-35, на рабочее напряжение 25в. и 16в; остальные тип. К10-17. Диоды VD1-VD4, установлены вертикально, вывод катода отогнут вниз. Стабилитроны VD6 и VD8 – импортные, но подойдут и отечественные КС139А. На рис. 4 пояском отмечен вывод катода. Тот же вывод помечен у КД521А (VD5). Все резисторы кроме R14, R15 – 0,125 Вт, R14 и R15 мощностью не менее 0,5 Вт. Подстроечные резисторы R4,R7 – СП3-38Б.
Транзисторы с любым буквенным индексом, но желательно чтобы VT1 с коэффициентом передачи тока не менее 250. Светодиоды импортные диаметром 3мм, зеленого (LED2) и красного (LED1) цвета свечения. Перемычки выполнены из обрезков выводов резисторов установленных на плате.
Микросхемы таймеров DA1 и DA2 установлены в стандартные DIP8 панельки (автор рекомендует поступить именно так – облегчается настройка устройства и всегда можно оперативно заменить неисправную микросхему). По центру платы, в размеченных точках, проделываются три отверстия диаметром 5 – 5,5мм. Далее по углам платы высверливаются крепежные для радиатора, диаметром 3-3,5мм.
В первую очередь припаиваются все пассивные компоненты и кроватки под микросхемы. Выходные транзисторы и стабилизатор пока не устанавливаются. Выводы IC1, VT4, VT3 отгибаются (с небольшим радиусом) под углом в 90 град. в сторону противоположную теплоотводящим фланцам.
Затем эти элементы устанавливаются на плату со стороны печатных проводников, но с таким расчётом, что бы отверстия в транзисторах и стабилизаторе совпали с отверстиями в плате, и имелся небольшой зазор между ними и поверхностью платы. Выступающие со стороны деталей выводы отрезаются.
В качестве радиатора можно использовать любую отшлифованную алюминиевую пластину необходимой толщины, размером с плату или чуть более, или установить промышленный радиатор подходящих размеров. При установке радиатора под транзисторы VT4 и VT3 подкладываются теплопроводящие, изолирующие прокладки либо же полоски тонкой слюды. Под стабилизатор прокладку устанавливать не нужно.
Радиатор к плате крепится при помощи стоек высотой 5 – 6мм (удобно использовать для этого стойки от крепления материнской платы к корпусу системного блока компьютера, нужной высоты). Через отверстия по центру платы, по месту, радиатор перфорируется для крепления транзисторов и стабилизатора. В отверстиях нарезается резьба (если нужно), через плату продеваются болты и вся конструкция надежно, с небольшим усилием, стягивается.
Установленные светодиоды отгибаются параллельно плате и выводятся вместе со штоком переключателя на лицевую панель прибора. Рис.5

Рис.5
Настройка.
В первую очередь проверяется напряжение на выходе стабилизатора IC1. Микросхемы таймеров пока не устанавливаются. Проверяется отсутствие замыкания транзисторов VT3, VT4 и радиатора. На панельке под DA2, 3 выв. соединяют перемычкой с выв.1. Устанавливают DA1 в панельку. Подключают вольтметр к 3 выв. DA1.
Подавая на входные клеммы напряжение, соответствующее напряжению полностью разряженной батареи (11,4в.), вращением движка R4 добиваются устойчивого перепада от земли до Vпит. DA1 на выводе 3 (в пределах входного напр. от 11,3 до 11,5в.). Во время этой процедуры движок R7 должен находится в крайнем нижнем (см. рис.1) положении. Далее эту же процедуру повторяют с R7, но входное напряжение равно максимальному для батареи и добиваются устойчивого спада напряжения на 3 выв.
Во время всех операций по настройке, переключатель находится в отжатом положении. На этом настройку триггера можно считать законченной. Проверяют работу индикации и генераторов тока. На DA2 перемычку с 3 выв. перебрасывают на вывод 8, подключают к клеммам, амперметр, и контролируют величину зарядного тока и работу индикатора зарядки. В случае необходимости подбирают величину резистора R15.
Для проверки разрядной цепи на выход устройства, через амперметр, подают напряжение в пределах 11,4 – 17,4в. Вывод 7 DA2 соединяют с выводом 1. Проверяют изменение тока при изменении входного напряжения в указанном диапазоне, а также свечение индикатора разрядки.
При необходимости подбирают значение R14. Удаляют все перемычки, устанавливают обе микросхемы в панельки. Подключают к выходу разряженную аккумуляторную батарею и проверяют автомат во всех режимах работы. При необходимости, подключив к 3 выв. DA2, осциллограф, можно оценить величину и длительность импульсов на выходе генератора.
Если вы уверенны в своём выборе, то рекомендуется зафиксировать движки переменных резисторов лаком или клеем (избегая попадания на токопроводящий слой на резисторах). На этом настройку автомата окончена.
Хотя в оригинале устройство запитывалось от малогабаритного сетевого трансформатора, возможно применение любого источника питания, дающего на выходе 25-27в. при токе не менее 170-180mа. Напряжение питания на схему в этом случае подаётся в любой полярности.
При установке платы в корпус, для предотвращения сильного нагрева элементов схемы, необходимо обеспечить достаточную вентиляцию радиатора.
Автор: Toq