Упрощение устройств при помощи интегральных схем
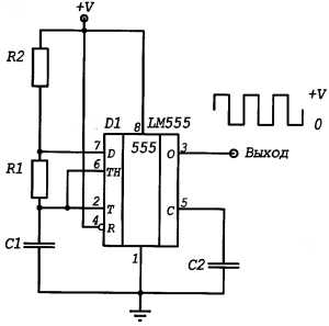
Если кто-то говорит, что меньше иногда бывает больше, он либо глупец, либо ярый сторонник применения ИМС в электронике. Использование интегральных схем позволяет заменять сразу несколько дискретных компонентов благодаря тому, что ИМС содержит сразу все их в одном корпусе. В этом коротком разделе речь пойдет о том, как же можно подключить ИС в схему, правильно соединяя входы и выходы, землю, питание и некоторые дискретные элемент к ее выводам. Пример такого включения ИС показан на рис. 7.14.
Номера выводов, используемых для подключения к другим компонентам, зависят от того, в каком корпусе изготовлена микросхема. Эти выводы можно легко идентифицировать, заглянув в спецификацию на конкретную ИМС или принципиальную схему данного проекта.
На рис. 7.14:

При включении ИС таймера 555 таким образом, как показано на рис. 7.14, на его выводе формируется цифровой прямоугольный сигнал. (В таком включении таймер 555 работает в качестве мультивибратора — генератора прямоугольных колебаний.) Частота выходных колебаний зависит от скорости заряда и разряда конденсатора. Вычислить эту скорость можно при помощи уравнения для расчета постоянной времени RC-цепи, предполагая, что заряд конденсатора завершается при достижении емкости двух третей от максимальной, а разряд прекращается при достижении ею же одной третьей от максимальной емкости (уравнение постоянной времени и вообще понятие RC-цепочки обсуждалось ранее в этой же главе в разделе "Включение и выключение схем при помощи RC-цепи"). Постоянная времени RC-цепочки при заряде конденсатора равна
T1 = ( R1 x R2 ) x C.
Постоянная времени RC-цепи при его разряде составляет
T2 = R1 х С.
В данной схеме времена заряда и разряда конденсатора определяют сопротивления резисторов R1 и R2. Предел, до которого конденсатор заряжается, определяет напряжения на триггерном и пороговом входах ИС. Когда напряжение на конденсаторе достигает двух третей от напряжения питания +U, ИМС переключает сигнал на своем выходе в противоположное состояние — с +U в 0 В и позволяет конденсатору начать разряжаться через разрядный вход. Как только заряд конденсатора настолько уменьшится, что напряжение на триггерном и пороговом входах ИС упадет до одной третьей от напряжения питания схемы, ИМС переключится вновь, и сигнал на выходе изменит свое состояние до напряжения +U. При этом конденсатор начнет заряжаться опять вплоть до двух третей от максимального напряжения схемы, начиная, таким образом, новый цикл.
Эта последовательность все время повторяется, в результате чего на выходе ИМС можно наблюдать прямоугольный сигнал, как показано на рис. 7.14. Подбирая значения сопротивлений R1 и R2, можно изменять постоянную времени RC-цепочки и, следовательно, вид выходного сигнала. О том, как использовать такую возможность на практике, речь пойдет в главе 14.
