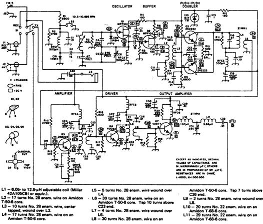
CW-приемопередатчик е генератором перестраиваемой частоты для диапазона 21—21,5 МГц
Схема (рис. 7.67) разработана для маломощной CW-работы в 15-метровом любительском диапазоне. Для обеспечения хорошей стабильности при эксплуатации на частоте 10,5— 10,625 МГц трехточечный генератор на транзисторе Q1 включается на время приема и передачи, поэтому в режиме приёма частота генератора перестраиваемой частоты должна изменяться. Для питания схемы необходим источник с напряжением питания 12 В при токе 1,3 А. Подстроечный конденсатор С6 емкостью А—53,5 пФ. Катушка RFC4 имеет 16 витков эмалированного провода № 28, RFC5 — 11 витков провода № 22 и RFC6 — 6 витков провода № 22, причем все катушки выполнены на сердечниках компании Amidon типа Ft-50-61.

Транзисторы вместо генераторных и ВЧ усилительных радиоламп
Источник напряжения 3 кВ мощностью 2 кВт
Передатчик мощностью 5 Вт на полевых транзисторах
Передатчик малой мощности на 144 МГц
Схема линейного усилителя мощностью 4 Вт
CW-передатчик мощностью 250 мВт для 40-метрового диапазона
Схема линейного усилителя мощностью 140 Вт для диапазона 2—30 МГц
Линейный усилитель мощностью 1,4 Вт для диапазона 7—14 МГц
CW-передатчик мощностью V4 Вт
Маломощный передатчик 2-метрового диапазона
Схема усилителя мощностью 10 Вт для 2-метрового диапазона
Линейный усилитель мощностью 80 Вт для мобильного SSB-передатчика
Генератор перестраиваемой частоты 20-метрового диапазона
Усилитель мощностью 30 мВт для диапазона 25 МГц
Маломощный CW-передатчик 80-метрового диапазона для QRP-связи
Усилитель мощностью 80 Вт для диапазона 143—156 МГц
Линейный усилитель мощностью 100 Вт для диапазона 420—450 МГц
Схема на транзисторах вместо лампы усилителя мощности
Источник эталонного термостабильного 10-вольтового напряжения
УКВ-передатчик диапазона 432—450 МГц
Схема повышения мощности стабилитронов
Линейный усилитель мощностью 10 Вт для приемопередатчика 2-метрового диапазона
Линейный усилитель мощностью 300 Вт для диапазона 2—30 МГц
Усилитель мощности 2-метрового диапазона
Линейный усилитель мощностью 160 Вт для SSB-передатчика
Широкополосный усилитель мощностью 8 Вт на МОП-транзисторах
Усилитель мощности на 10 Вт УКВ-диапазона частот для морской связи
ВЧ-ваттметр
Радиотелефон, работающий на частоте 20 МГц
Генератор перестраиваемой частоты на 1,8—1,9 МГц
Схема линейного усилителя мощностью 60 Вт для диапазона 432 МГц
Мобильный однокаскадный ЧМ-передатчик мощностью 80 Вт для диапазона 144—175 МГц
Усилитель мощностью 80 Вт для 2-метрового диапазона
Возбудитель мощностью 1 Вт для диапазонов частот 7 и 14 МГц
Схема линейного усилителя мощностью 300 Вт на полупроводниках
Передатчик мощностью 500 мВт для диапазона 180 кГц
АМ-передатчик мощностью 2,5 Вт для авиасвязи
QRP-передатчик мощностью 7 Вт
Схема для измерения максимальной мощности
Усилитель мощностью 25 Вт для передатчика диапазона 450—470 МГц
CW-передатчик для диапазона 40 м
Мобильный ЧМ-передатчик мощностью 80 Вт для диапазона 175 МГц
Линейный усилитель мощностью 100 Вт для диапазона 432 МГц
Генератор перестраиваемой частоты для диапазонов 7 и 14 МГц
УКВ-передатчик мощностью 10 Вт для диапазона 450 МГц
Широкополосный усилитель мощностью 5 Вт на МОП-транзисторе
Ламповый усилитель мощности на 1200 Вт
Схема усилителя мощности на 10 Вт для диапазона 450—470 МГц..
Ламповый усилитель мощностью 1 кВт с заземленной сеткой
Передатчик мощностью 5 Вт для диапазона 80 или 40 м
Схема ЧМ-возбудителя для диапазона 2 м
Схема CW-передатчика мощностью 2 Вт для диапазона 20 м
Двухтактный ВЧ-усилитель мощности на 50 Вт
Схема 10-ваттного усилителя мощности для диапазона 220 МГц
Схема длинноволнового передатчика мощностью 1 Вт для диапазона 175 кГц
Усилитель мощностью 30 Вт для диапазона 40—180 МГц
Двухтактный усилитель на 400 Вт
Возбудитель с большим усилением, мощностью 20 Вт и диапазоном 1,6—30 МГц
АМ-передатчик на диапазон 1—2 МГц
Схема замены НЧ-радиоламп транзисторами
Усилитель мощности на 15 Вт для диапазона 400 МГц
Защелка для тангенты микрофона
Полупроводники вместо лампового смесителя и стабилизатора
Усилитель класса мощностью 35 Вт для диапазона 40, 80 или 160 м
Генератор перестраиваемой частоты для диапазона 80 м
Усилитель мощностью 1 кВт для диапазона 2 м
CW-приемопередатчик с генератором перестраиваемой частоты для диапазона 21—21,5 МГц
Выключатель усилителя на основе напряжения смещения
SSB-возбудитель для диапазона 2—30 МГц
ВЧ-ваттметр на 50 Вт
Линейный усилитель мощностью 20 Вт для диапазона 16—30 МГц
Усилитель мощностью 3,5 Вт для диапазона 40 м