Транзистор как усилитель
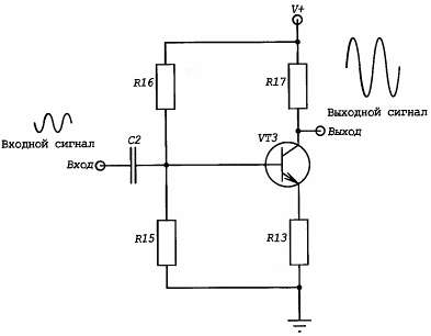
Нам всем время от времени требуется рука помощи. Чем же хуже электронные сигналы? Часто их приходится усиливать, чтобы прибавить им сил запитать ту или иную схему. Так делают, к примеру, для вывода сигнала с микрофона на аудиоколонки, когда сигнал необходимо сначала усилить. Простейший усилитель на одном транзисторе показан на рис.

Транзистор, из которого состоит усилитель, должен находиться не в открытом или закрытом состояниях, а быть открыт только частично. Для обеспечения такого состояния транзистора на его базу подается небольшое напряжение. Эта процедура называется смещением транзистора.
В примере на рис. 7.10 для обеспечения смещения транзистора к его базе присоединены резисторы R1 и R2, включенные по схеме делителя напряжения (подробнее о делителях см. раздел "Исследование схемы делителя напряжения" выше по тексту главы).
Сопротивления подбираются таким образом, чтобы в средней точке делителя напряжение было достаточным для включения транзистора и разрешения току течь через транзистор.
При усилении сигнала переменного тока, такого как на выходе микрофона, этот сигнал должен центрироваться по уровню относительно 0 В, чтобы не изменить смещение. Для отсечения постоянной составляющей сигнала с микрофона (постоянного смещения) на входе усилительного каскада ставится фильтрующий конденсатор. Обеспечиваемый таким образом эффект иллюстрирует рис. 7.11.
Смещение базы транзистора и является основной разницей между использованием транзистора в режиме усилителя и режиме ключа. Применяя транзистор как электронный ключ, следят за тем, чтобы транзистор мог находиться лишь в одном из двух состояний: быть включенным или быть выключенным.
Для усиления же сигналов на базу подается напряжение смещения, которое позволяет транзистору находиться в частично открытом состоянии. Такое функционирование транзистора можно сравнить с работой автомобиля на холостом ходу.
Смещение базы транзистора позволяет ему отвечать на любое, даже малейшее, воздействие входного сигнала. Для включения транзистора на базу необходимо подать напряжение около 0,6 В (разность потенциалов между базой и эмиттером).
Если же транзистор не должен находиться в проводящем состоянии, то достаточно обеспечить любое входное напряжение ниже этого уровня.
При смещении же базы транзистора происходит усиление входного сигнала любой величины. Эффект от смещения транзистора изображен графически на рис. 7.12. Обратите внимание на то, что при отсутствии смещения усиливается лишь часть входного сигнала; остальная часть теряется. Смещение позволяет усиливать весь сигнал.
Два остальных резистора схемы, изображенной на рис. 7.10, — R4, включенный между эмиттером и землей, и R3 (между коллектором и питанием) — служат для контроля коэффициента усиления.
Коэффициентом усиления называют степень усиления сигнала. К примеру, если говорится, что коэффициент усиления каскада равен 10, это означает, что входной сигнал с амплитудой 1 В на выходе усилится до 10 В.
Следующие разделы:
Упрощение устройств при помощи интегральных схем

