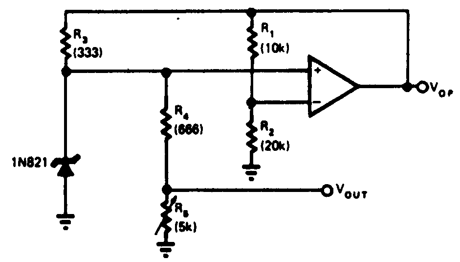
Источник опорного 5-вольтового напряжения при токе 7,5 мА
В схеме (рис. П.II) применяется стандартный операционный усилитель с отдельным по тенциометром, который используется для регулировки выходного напряжения и одновре менно для установки оптимального тока через 6,2-вольтовый стабилитрон типа 1N821. Что бы задавать необходимый ток для стабилитронов, для некоторых маломощных операцион ных усилителей может потребоваться дополнительный эмиттерный повторитель. При этом схемном решении можно отказаться от отдельной регулировки тока стабилизации и приме нить более дешевые стабилитроны.
Источник изменяемого опорного напряжения
Схема четырех регулируемых источников опорных напряжений от 1,5 до 12 В
Схема источника опорного напряжения с отклонением 0,005%.
Источник опорных напряжений +5 и -5 В
Схема источника изменяемого опорного напряжения от -6,95 до +6,95 В
Схема источника регулируемого опорного напряжения
Прецизионный источник опорного напряжения запрещенной зоны ТТЛ-сигналов
Источник трех опорных напряжений на +5, +15 и +30 В
Источник регулируемого опорного напряжения от 0 до 10,0000 В с шагом 100 мкВ
Схема опорного напряжения на самостабилизирующемся стабилитроне
Источник опорного 5-вольтового напряжения при токе 7,5 мА
Источник опорного напряжения на +15 В и ток 100 мА
Источник 10-вольтового опорного напряжения с использованием эталонного гальванического элемента
Маломощный источник опорного напряжения на 10 В
Источник опорного напряжения с двумя выходными напряжениями +3,4 и 2,0 В, противостоящий гамма-излучению
Источник опорного напряжения на +10,000 В
Буферизованный источник опорного напряжения на 10 В
Высокоточный источник опорного напряжения на 10 В
Источник опорного напряжения с выходным изменяемым напряжением от 2,5 до 10 В
Источник опорного напряжения с напряжением -6,6 В на операционном усилителе
Источник опорного напряжения на выходное напряжение +6,6 В и ток 5 мА
Источник опорного напряжения с тремя выходными напряжениями +10, +20 и+30 В
Источник высокоточного 1-вольтового опорного напряжения
Источник опорного напряжения с напряжением +6,6 В на операционном усилителе
Маломощный источник опорного напряжения и с низким дрейфом
Источник 6,5-вольтового опорного напряжения
Источник опорного напряжения с напряжением 10 В и балансировкой термокомпенсации
Источник 10-вольтового опорного напряжения с умеренным дрейфом
Двухполярный источник опорного напряжения с напряжениями +2,5 и -2,5 В
Заменитель эталонного элемента с напряжением 1,01 В
Двухполярный источник опорного напряжения с напряжениями +7 и -7 В
Высокоточный источник опорного напряжения с выходным напряжением +15 В ...455
Источник 5-вольтового опорного напряжения при 15 В на входе
Источник опорного напряжения с выходным напряжением 10,000 В со стабилитроном
Источник регулируемого опорного напряжения с выходным напряжением 0—6,6 В и током 5 мА
Источник опорного напряжения на ОУ с милливольтным выходным напряжением
Источник опорного напряжения с большим диапазоном входного напряжения
Источник опорного напряжения с выходным напряжением +8,2 В
Схема источника опорного напряжения с линейным регулированием
Источник опорного напряжения на ОУ с положительной обратной связью и выходным напряжением +10 В
