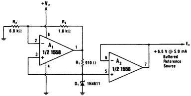
Источник опорного напряжения на выходное напряжение +6,6 В и ток 5 мА
В приведенной схеме (рис.) применяется сдвоенный операционный усилитель ти па. 1558. Для увеличения выходного тока и уменьшения выходного сопротивления вторая половина сдвоенного операционного усилителя интегральной микросхемы А2 используется как буфер для основного источника опорного напряжения, который выполнен на первой половине операционного усилителя A1 и стабилитроне.
Источник изменяемого опорного напряжения
Схема четырех регулируемых источников опорных напряжений от 1,5 до 12 В
Схема источника опорного напряжения с отклонением 0,005%.
Источник опорных напряжений +5 и -5 В
Схема источника изменяемого опорного напряжения от -6,95 до +6,95 В
Схема источника регулируемого опорного напряжения
Прецизионный источник опорного напряжения запрещенной зоны ТТЛ-сигналов
Источник трех опорных напряжений на +5, +15 и +30 В
Источник регулируемого опорного напряжения от 0 до 10,0000 В с шагом 100 мкВ
Схема опорного напряжения на самостабилизирующемся стабилитроне
Источник опорного 5-вольтового напряжения при токе 7,5 мА
Источник опорного напряжения на +15 В и ток 100 мА
Источник 10-вольтового опорного напряжения с использованием эталонного гальванического элемента
Маломощный источник опорного напряжения на 10 В
Источник опорного напряжения с двумя выходными напряжениями +3,4 и 2,0 В, противостоящий гамма-излучению
Источник опорного напряжения на +10,000 В
Буферизованный источник опорного напряжения на 10 В
Высокоточный источник опорного напряжения на 10 В
Источник опорного напряжения с выходным изменяемым напряжением от 2,5 до 10 В
Источник опорного напряжения с напряжением -6,6 В на операционном усилителе
Источник опорного напряжения на выходное напряжение +6,6 В и ток 5 мА
Источник опорного напряжения с тремя выходными напряжениями +10, +20 и+30 В
Источник высокоточного 1-вольтового опорного напряжения
Источник опорного напряжения с напряжением +6,6 В на операционном усилителе
Маломощный источник опорного напряжения и с низким дрейфом
Источник 6,5-вольтового опорного напряжения
Источник опорного напряжения с напряжением 10 В и балансировкой термокомпенсации
Источник 10-вольтового опорного напряжения с умеренным дрейфом
Двухполярный источник опорного напряжения с напряжениями +2,5 и -2,5 В
Заменитель эталонного элемента с напряжением 1,01 В
Двухполярный источник опорного напряжения с напряжениями +7 и -7 В
Высокоточный источник опорного напряжения с выходным напряжением +15 В ...455
Источник 5-вольтового опорного напряжения при 15 В на входе
Источник опорного напряжения с выходным напряжением 10,000 В со стабилитроном
Источник регулируемого опорного напряжения с выходным напряжением 0—6,6 В и током 5 мА
Источник опорного напряжения на ОУ с милливольтным выходным напряжением
Источник опорного напряжения с большим диапазоном входного напряжения
Источник опорного напряжения с выходным напряжением +8,2 В
Схема источника опорного напряжения с линейным регулированием
Источник опорного напряжения на ОУ с положительной обратной связью и выходным напряжением +10 В
