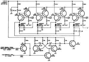
Схема 4-канального опрашивающего устройства для метрового диапазона волн с ЧМ
Отдельные схемные элементы (радиодетали) позволяют осуществлять опрос любого количества каналов и с любой желаемой частотой. Устройство (рис.) питается непосредственно от нерегулируемого источника питания с выходным напряжением от 10 до 15 В и имеет незначительное потребление тока. Схема может применяться как с положительной, так и отрицательной логикой схемы шумоподавления, таким образом, опрос каналов может останавливаться как высоким, так низким уровнем логического сигнала. Любое повышение напряжения в несколько вольт останавливает процесс опроса. Транзисторы Q3 и Q4 образуют автоколебательный мультивибратор, который работает примерно с частотой 10 импульсов в секунду. Если на базе транзистора Q2 присутствует высокий логический уровень, то транзистор Q2 открывается и останавливает мультивибратор. Транзистор Q1 обеспечивает требуемую полярность сигнала для управления транзистором Q2. Транзисторы Q6—Q13 образуют 4-каскадный кольцевой счетчик. Импульсы, поступающие от транзистора Q5. служат для того, чтобы сигнал, с низким логическим уровнем на его коллекторе перемещал бы сигнал на выходе счетчика по кольцу от каскада к каскаду. Если сигнал, поступающий со схемы шумоподавления, прерывает импульсы мультивибратора, то счетчик останавливается, и выход каскада счетчика переходит на высокий логический уровень для включения соответствующего светодиодного индикатора этого канала.
Логическая схема, управляемая речью
Передатчик мощностью 3,5 Вт
Схема для согласования с низкоомным микрофоном
Переключатель "прием-передача" с диодом
Звуковой сигнализатор окончания передачи
Сканирующий адаптер
Переключатель "прием-передача" с 4 диодами
Схема преобразователя частоты
Двусторонний усилитель
Схема голосового управления в SSB-связи
Схема защиты приемопередатчика
Схема, позволяющая получить дополнительно 15 Вт звуковой мощности
Кварц на 9 МГц в передатчике
Опрашивающее устройство на 10 каналов
Схема утроения частоты до 1267,2 МГц
Нерегулируемый кварцевый генератор для SSB-приемопередатчика на 2—23 МГц.
12-вольтовая схема защиты приемопередатчика (закорачивающая перемычка)
Схема 4-канального опрашивающего устройства для метрового диапазона волн с ЧМ
Схема управления "прием-передача"
Усилитель мощности для частоты 422,4 МГц
Генератор частоты на 5 МГц ±500 кГц
Генератор перестраиваемой частоты на 14 МГц с удвоителем
Генератор перестраиваемой частоты на 6,545—6,845 МГц
Генератор перестраиваемой частоты для 2-метрового диапазона и всех каналов
Кварцевый генератор на 422,4 МГц
Балансный смеситель
Генератор перестраиваемой частоты на 5—5,55 МГц
Управляемая слогами передача речевых сообщений
Смеситель передатчика
Переключатель "прием-передача"
Компенсатор температурного дрейфа частоты приемопередатчика
Генератор перестраиваемой частоты на 7—7,1 МГц
Схема поиска станций в 2-метровом диапазоне с шагом 500 кГц
Применение угольного микрофона в транспортном средстве
Устройство опроса с переменным поиском
Схема высокоскоростной передачи речевых сообщений
Тюнер диапазона 3—3,5 МГц на варикапе
Переключатель "прием-передача"
Опрашивающее устройство для 2-метрового диапазона
Переключатель "прием-передача" на PIN-диодах
Регулировка с дистанционным управлением
Устройство для опроса радиоканалов
Схема генератора с кварцевыми резонаторами на 76,25 и 81,6 МГц
Опрашивающее устройство для приемопередатчика 2-метрового диапазона
Переключатель антенны "прием-передача"
Генератор меток
