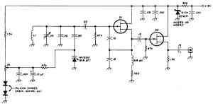
Генератор перестраиваемой частоты для 2-метрового диапазона и всех каналов
Схема (рис.) позволяет охватить все каналы обычного ЧМ-приемопередатчика без использования дорогого синтезатора частот или отдельных кварцевых генераторов с фиксированной частотой. Кроме того, она может использоваться для настройки повторителя при наличии помех. Схема заменяет первый кварцевый генератор в ЧМ-приемопередатчике и настраивается в необходимом диапазоне на одну треть несущей частоты. Приемопередатчик со схемой может работать примерно на 45 МГц, но частота может быть легко изменена. Настроечный потенциометр (лучше всего 10-ступенчатый потенциометр на 5 кОм и с цифровой шкалой) может размещаться удаленно. Генератор перестраиваемой частоты использует генератор на полевом транзисторе Q1, который настраивается варикапом MV2201. Выходной каскад на транзисторе Q2 выполняет функцию буферного усилителя. Напряжение питания стабилизируется стабилитроном. Полевые транзисторы Q1 и Q2 могут быть типа MPF102, но лучше применить 2N5668 или 2N5669. Катушка индуктивности L1 содержит 4 витка провода № 16 и имеет диаметр 0,5 дюйма.
Логическая схема, управляемая речью
Передатчик мощностью 3,5 Вт
Схема для согласования с низкоомным микрофоном
Переключатель "прием-передача" с диодом
Звуковой сигнализатор окончания передачи
Сканирующий адаптер
Переключатель "прием-передача" с 4 диодами
Схема преобразователя частоты
Двусторонний усилитель
Схема голосового управления в SSB-связи
Схема защиты приемопередатчика
Схема, позволяющая получить дополнительно 15 Вт звуковой мощности
Кварц на 9 МГц в передатчике
Опрашивающее устройство на 10 каналов
Схема утроения частоты до 1267,2 МГц
Нерегулируемый кварцевый генератор для SSB-приемопередатчика на 2—23 МГц.
12-вольтовая схема защиты приемопередатчика (закорачивающая перемычка)
Схема 4-канального опрашивающего устройства для метрового диапазона волн с ЧМ
Схема управления "прием-передача"
Усилитель мощности для частоты 422,4 МГц
Генератор частоты на 5 МГц ±500 кГц
Генератор перестраиваемой частоты на 14 МГц с удвоителем
Генератор перестраиваемой частоты на 6,545—6,845 МГц
Генератор перестраиваемой частоты для 2-метрового диапазона и всех каналов
Кварцевый генератор на 422,4 МГц
Балансный смеситель
Генератор перестраиваемой частоты на 5—5,55 МГц
Управляемая слогами передача речевых сообщений
Смеситель передатчика
Переключатель "прием-передача"
Компенсатор температурного дрейфа частоты приемопередатчика
Генератор перестраиваемой частоты на 7—7,1 МГц
Схема поиска станций в 2-метровом диапазоне с шагом 500 кГц
Применение угольного микрофона в транспортном средстве
Устройство опроса с переменным поиском
Схема высокоскоростной передачи речевых сообщений
Тюнер диапазона 3—3,5 МГц на варикапе
Переключатель "прием-передача"
Опрашивающее устройство для 2-метрового диапазона
Переключатель "прием-передача" на PIN-диодах
Регулировка с дистанционным управлением
Устройство для опроса радиоканалов
Схема генератора с кварцевыми резонаторами на 76,25 и 81,6 МГц
Опрашивающее устройство для приемопередатчика 2-метрового диапазона
Переключатель антенны "прием-передача"
Генератор меток
