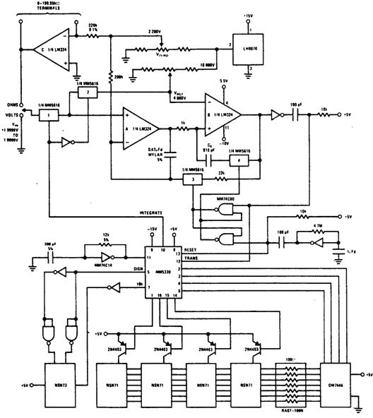
5-разрядный вольтомметр
Микросхема ММ5330 производства компании National (рис.) содержит логические схемы для реализации относительно простого и дешевого 5-разрядного вольтомметра. Ин терфейс для отображения результатов измерения состоит из 7-сегментного дешифратора с усилителями DM7446 и 4 транзисторов типа 2N4403. Функционирование прибора основано йа подсчете до 80000 синхроимпульсов. Схема с помощью светодиодного индикатора обес печивает формирование знака, плюса или минуса, а также цифровую индикацию от 1 до 10000 при предельном значении индикатора ±19,999 с десятичной точкой.
Схема прецизионного усилителя с входным сопротивлением 1 ТОм для измерения переменного и постоянного напряжения
Вольтметр с полосковым индикатором на светодиодах
Детектор для положительных пиков напряжения
Электрометр на полевых транзисторах
Милливольтметр на полевом транзисторе
Вольтметр переменного тока с расширенным диапазоном
Преобразователь переменного напряжения в постоянное
Схема, контролирующая сетевое напряжение
Схема защиты измерительного прибора с помощью стабилитрона
5-разрядный вольтомметр
Схема для измерения абсолютного значения напряжения
Схема для контроля сетевого напряжения
Вольтметр на 20 В постоянного тока, выполненный на одном полевом транзисторе
Модернизированный ламповый вольтметр на интегральной микросхеме
Измерительный зонд на светодиоде для большого диапазона напряжений
Усилитель с калибруемым усилением
Схема для предотвращения перегрузки измерительного прибора
Вольтметр для пиковых значений напряжения
Детектор для истинного действующего значения напряжения
Вольтметр постоянного тока
Милливольтметр на интегральной микросхеме
Схема для измерения истинного действующего значения напряжения с амплитудой 2—10 В и частотой 600 кГц
Схема для измерения пиковых значений напряжения переменного тока
Схема выпрямителя с дифференциальным входом и с отрицательным выходом
Схема для измерения максимальных и минимальных значений сигналов волнообразной формы
Схема настраиваемого вольтметра
Схема выпрямителя с дифференциальным входом и высоким входным сопротивлением
Вольтметр постоянного тока на операционном усилителе
Милливольтметр переменного тока
Схема ВЧ-пробника, показывающего пиковые значения напряжения на вольтметре постоянного тока
Схема 10-диапазонного вольтметра постоянного тока
Электрометр на операционном усилителе
Схема для измерения абсолютного значения напряжения
Вольтметр со звуковой индикацией
Цифровой вольтметр на интегральной схеме со стрелочным измерительным прибором
Индикация полярности напряжения для цифрового вольтметра
Цифровой вольтметр постоянного тока для диапазона 0—2 В
Схема индикации нулевого напряжения
Прецизионный выпрямитель входного сигнала
Компьютеризованный 8-канальный 4-разрядный цифровой вольтметр
Схема для формирования временных меток на ленте самопишущих приборов
4-разрядный цифровой вольтметр
Прецизионный выпрямитель
Вольтметр постоянного тока со сбалансированными полевыми транзисторами
Схема 3-разрядного цифрового вольтметра
Вольтметр постоянного тока на полевом транзисторе
Усилитель для измерительного прибора
Преобразователь напряжение-частота
Схема электроскопа
Схема для измерения напряжения с высоким,входным сопротивлением
Вольтметр на сдвоенном полевом транзисторе
Вольтметр с логарифмической шкалой
Схема индикации полярности цифрового вольтметра
Схема 5-разрядного цифрового вольтметра
Схема дифференциального выпрямителя сигналов переменного тока
Вольтметр переменного тока для частот 0,04—200 МГц
Измерительный прибор для определения полярности сети
Цифровой 4-разрядный вольтметр постоянного тока
Вольтметр на полевом транзисторе
Вольтметр переменного тока на полевом транзисторе
Схема автоматического переключения полярности
