Модернизированный ламповый вольтметр на интегральной микросхеме
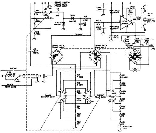
Повторитель напряжения на микросхеме LM310H (рис.) превращает ламповый вольт метр в вольтметр на интегральной микросхеме. Входное сопротивление и точность измере ния на всех диапазонах остаются неизменными. Изменение, которое показано на схеме для прибора Hethkit IM-11, так же касается и других вольтметров. Полупроводниковые диоды CR100 и CR101 заменяют оригинальный ламповый детектор 6AL5, а повторитель напряже ния на микросхеме LM310H с единичным коэффициентом усиления и высоким входным сопротивлением заменяет лампу 12AU7. Конденсаторы С105 и С106 включаются парал лельно батарее питания и должны непосредственно присоединяться к соответствующим выводам питания микросхемы U100, а именно к выводу 7 и 4. Диоды CR102 и CR103 пред назначены для защиты микросхемы от подачи на ее вход больших напряжений.
Схема прецизионного усилителя с входным сопротивлением 1 ТОм для измерения переменного и постоянного напряжения
Вольтметр с полосковым индикатором на светодиодах
Детектор для положительных пиков напряжения
Электрометр на полевых транзисторах
Милливольтметр на полевом транзисторе
Вольтметр переменного тока с расширенным диапазоном
Преобразователь переменного напряжения в постоянное
Схема, контролирующая сетевое напряжение
Схема защиты измерительного прибора с помощью стабилитрона
5-разрядный вольтомметр
Схема для измерения абсолютного значения напряжения
Схема для контроля сетевого напряжения
Вольтметр на 20 В постоянного тока, выполненный на одном полевом транзисторе
Модернизированный ламповый вольтметр на интегральной микросхеме
Измерительный зонд на светодиоде для большого диапазона напряжений
Усилитель с калибруемым усилением
Схема для предотвращения перегрузки измерительного прибора
Вольтметр для пиковых значений напряжения
Детектор для истинного действующего значения напряжения
Вольтметр постоянного тока
Милливольтметр на интегральной микросхеме
Схема для измерения истинного действующего значения напряжения с амплитудой 2—10 В и частотой 600 кГц
Схема для измерения пиковых значений напряжения переменного тока
Схема выпрямителя с дифференциальным входом и с отрицательным выходом
Схема для измерения максимальных и минимальных значений сигналов волнообразной формы
Схема настраиваемого вольтметра
Схема выпрямителя с дифференциальным входом и высоким входным сопротивлением
Вольтметр постоянного тока на операционном усилителе
Милливольтметр переменного тока
Схема ВЧ-пробника, показывающего пиковые значения напряжения на вольтметре постоянного тока
Схема 10-диапазонного вольтметра постоянного тока
Электрометр на операционном усилителе
Схема для измерения абсолютного значения напряжения
Вольтметр со звуковой индикацией
Цифровой вольтметр на интегральной схеме со стрелочным измерительным прибором
Индикация полярности напряжения для цифрового вольтметра
Цифровой вольтметр постоянного тока для диапазона 0—2 В
Схема индикации нулевого напряжения
Прецизионный выпрямитель входного сигнала
Компьютеризованный 8-канальный 4-разрядный цифровой вольтметр
Схема для формирования временных меток на ленте самопишущих приборов
4-разрядный цифровой вольтметр
Прецизионный выпрямитель
Вольтметр постоянного тока со сбалансированными полевыми транзисторами
Схема 3-разрядного цифрового вольтметра
Вольтметр постоянного тока на полевом транзисторе
Усилитель для измерительного прибора
Преобразователь напряжение-частота
Схема электроскопа
Схема для измерения напряжения с высоким,входным сопротивлением
Вольтметр на сдвоенном полевом транзисторе
Вольтметр с логарифмической шкалой
Схема индикации полярности цифрового вольтметра
Схема 5-разрядного цифрового вольтметра
Схема дифференциального выпрямителя сигналов переменного тока
Вольтметр переменного тока для частот 0,04—200 МГц
Измерительный прибор для определения полярности сети
Цифровой 4-разрядный вольтметр постоянного тока
Вольтметр на полевом транзисторе
Вольтметр переменного тока на полевом транзисторе
Схема автоматического переключения полярности
