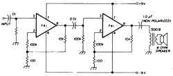
Прибор для проверки прохождения НЧ-сигнала
Прибор представляет собой усилитель низкой частоты с большим коэффициентом усиления, который служит для отладки НЧ-каскадов. С нормальным входным сигналом в испытываемом усилителе проверяется наличие прохождения низкочастотного сигнала в каждом каскаде. Если сигнал, подаваемый на вход каскада, отсутствует на выходе, то этот каскад неисправен. На вход также может подаваться сигнал от генератора контрольного сигнала, который имеет широкополосный выход от низкой частоты до очень высокой частоты.

Характериограф для полевого транзистора
Низкочастотный генератор контрольного сигнала
Транзисторно-диодный пробник
Диодный пробник с осциллографом
Диодный характериограф
Тестер для кварцевого резонатора
Тестер для герметичных катушек
Сигнал-генератор
Тестовый генератор для транзисторов
Подбор операционных усилителей
Схема для проверки тока утечки диодов и полевых транзисторов
Тестер высокочастотного транзистора
Тестер для проверки транзистора на одном операционном усилителе
Программируемый тестер для цифровых ИС
Тестер аудиокабеля
Высокоточная схема характериографа
Панелька для проверки логических микросхем
Определитель выводов транзистора
Характериограф для полупроводников
Миниатюрный тестер для кварцевого резонатора
Тестер диодов
Тестер лампового стабилитрона
Карманный тестер кварцевого резонатора
Тестер для определения пробоя транзистора
Прибор для измерения максимальной мощности
TTL-тестер
Тестер полосового фильтра
Генератор качающейся частоты
Тестер транзистора
Генератор псевдослучайных чисел для цифровых устройств
Генриметр
Тестер источников питания
Тестер для кварцевого резонатора
Тестер для проверки транзисторов и диодов
Схема для снятия переходной характеристики регулируемого источника питания
Тестер полевых транзисторов
Характериограф для транзисторов и диодов
Прибор для измерения сопротивления
Тестер диодов
Карманный тестер для транзисторов
Прибор для проверки прохождения НЧ-сигнала
Тестер для проверки работоспособности диодов
Тестер "Годен/Негоден" микросхем ТТЛ
Тестер источников питания
Динамическая нагрузка для испытаний блоков питания
Тестер однокорпусного счетверенного операционного усилителя
Тестер операционного усилителя
Тестер для транзистора
Определитель температурного коэффициента деталей и схем
Характериограф для тестирования компонентов схем
Прибор для проверки прохождения НЧ-сигнала
Тестер шумов прибора, обусловленных флуктуациями напряжения смещения
Тестер для транзистора
Амперметр для печатных токопроводящих дорожек