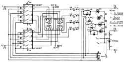
Тестер однокорпусного счетверенного операционного усилителя
Показанная схема подключения тестера позволяет применять его для тестирования однокорпусных счетверенных операционных усилителей. Схема соединения работает с имеющимся источником питания тестера, который может^ быть 5102 производства компаний Teledyne/Philbrick или более ходовой от Tektronix или ESI. Аналоговые коммутаторы на КМОП-транзисторах 1С и 1С2 питают элементы испытываемых операционных усилителей входными сигналами. Управляющие сигналы коммутируются переключателем выбора сегмента Si, который при желании может быть заменен на схему автоматического двоично-десятичного управления. Тот же переключатель также активизирует герконовые реле, которые подключают соответствующую часть усилителя к нагрузке и к схеме контроля выхода тестера. Светодиоды показывают, какая часть микросхемы испытывается в данный момент. Схема может использоваться с однокорпусными счетверенными операционными усилителями серий LM124, СА124 и МС3503.

Характериограф для полевого транзистора
Низкочастотный генератор контрольного сигнала
Транзисторно-диодный пробник
Диодный пробник с осциллографом
Диодный характериограф
Тестер для кварцевого резонатора
Тестер для герметичных катушек
Сигнал-генератор
Тестовый генератор для транзисторов
Подбор операционных усилителей
Схема для проверки тока утечки диодов и полевых транзисторов
Тестер высокочастотного транзистора
Тестер для проверки транзистора на одном операционном усилителе
Программируемый тестер для цифровых ИС
Тестер аудиокабеля
Высокоточная схема характериографа
Панелька для проверки логических микросхем
Определитель выводов транзистора
Характериограф для полупроводников
Миниатюрный тестер для кварцевого резонатора
Тестер диодов
Тестер лампового стабилитрона
Карманный тестер кварцевого резонатора
Тестер для определения пробоя транзистора
Прибор для измерения максимальной мощности
TTL-тестер
Тестер полосового фильтра
Генератор качающейся частоты
Тестер транзистора
Генератор псевдослучайных чисел для цифровых устройств
Генриметр
Тестер источников питания
Тестер для кварцевого резонатора
Тестер для проверки транзисторов и диодов
Схема для снятия переходной характеристики регулируемого источника питания
Тестер полевых транзисторов
Характериограф для транзисторов и диодов
Прибор для измерения сопротивления
Тестер диодов
Карманный тестер для транзисторов
Прибор для проверки прохождения НЧ-сигнала
Тестер для проверки работоспособности диодов
Тестер "Годен/Негоден" микросхем ТТЛ
Тестер источников питания
Динамическая нагрузка для испытаний блоков питания
Тестер однокорпусного счетверенного операционного усилителя
Тестер операционного усилителя
Тестер для транзистора
Определитель температурного коэффициента деталей и схем
Характериограф для тестирования компонентов схем
Прибор для проверки прохождения НЧ-сигнала
Тестер шумов прибора, обусловленных флуктуациями напряжения смещения
Тестер для транзистора
Амперметр для печатных токопроводящих дорожек