Бистабильный сенсорный выключатель
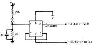
Половина микросхемы МС14013 компании Motorola (рис. 5.1) используется как триггер, который изменяет свое состояние каждый раз при замыкании контактов сопротивлением пальца. Для отображения состояния может добавляться светодиод, управляемый транзистором 2N3903. Возможным недостатком схемы является дребезг, если палец прикладывается не плотно.
Бистабильный сенсорный выключатель
Сенсорный выключатель без дребезга
Сенсорный переключатель в схеме с регулируемой вероятностью для лотереи
Бистабильный переключатель
Сенсорный выключатель
Сенсорный выключатель на тиристоре
Сенсорное устройство ввода данных
Сенсорный выключатель на полевом транзисторе и реле
Сенсорный выключатель с памятью
Сенсорный переключатель для управления логическими схемами
Бесконтактный переключатель
Сенсорный пульт управления игрой
Сенсорная игра - Орел-решка
Сенсорный выключатель с использованием таймера
Схема управления аналоговыми коммутаторами
Сенсорная кнопка
Реле, управляемое касанием
Схема сенсорного управления настройкой ЧМ-приемника
Схема автоматического выключения
Сенсорная клавиатура
Сенсорный выключатель
Бесконтактный переключатель
Сенсорный выключатель для музыкальной клавиатуры
Устранение дребезга сенсорного выключателя
Мощный сенсорный выключатель
