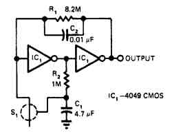
Сенсорный выключатель без дребезга
Два КМОП-инвертора микросхемы 4049 с высоким входным сопротивлением (рис. 5.2) работают в цепи с высоким импедансом между электродами сенсорного выключателя Sj. Это необходимо для достижения такой чувствительности, чтобы переключение пальцем смогло вызывать однозначное действие при одновременном минимуме используемых компонентов. В связи с большой постоянной времени RiCi-цепи перед новым запуском схемы должно пройти около 4 сек. Конденсатор С2 предотвращает появление колебаний с частотой 60 Гц при касании электродов.
Бистабильный сенсорный выключатель
Сенсорный выключатель без дребезга
Сенсорный переключатель в схеме с регулируемой вероятностью для лотереи
Бистабильный переключатель
Сенсорный выключатель
Сенсорный выключатель на тиристоре
Сенсорное устройство ввода данных
Сенсорный выключатель на полевом транзисторе и реле
Сенсорный выключатель с памятью
Сенсорный переключатель для управления логическими схемами
Бесконтактный переключатель
Сенсорный пульт управления игрой
Сенсорная игра - Орел-решка
Сенсорный выключатель с использованием таймера
Схема управления аналоговыми коммутаторами
Сенсорная кнопка
Реле, управляемое касанием
Схема сенсорного управления настройкой ЧМ-приемника
Схема автоматического выключения
Сенсорная клавиатура
Сенсорный выключатель
Бесконтактный переключатель
Сенсорный выключатель для музыкальной клавиатуры
Устранение дребезга сенсорного выключателя
Мощный сенсорный выключатель
