Сенсорный выключатель
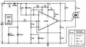
Слабый сигнал переменного тока, который возникает из-за контакта пальца с поверхностью сенсора "TOUCH PLATE" (рис. 5.21), способствует тому, что напряжение на выводе 8 двух-входового прецизионного детектора уровня СА3098 будет больше, чем эталонное напряжение. Детектор уровня переключает запоминающий триггер в ИС и приводит к тому, что напряжение на выводе 5 будет высоким. Напряжение вывода 7 будет при этом возрастать экспоненциально в течение 10 сек до значения V+. Эта задержка в 10 сек является самым максимальным временем для контакта с поверхностью, более длительное касание приводит систему в состояние между включением и выключением, т. е. к самовозбуждению до тех пор, пока палец снова не убирается. Более короткие прикосновения включают нагрузку. Следующее касание сенсорной площадки выключает нагрузку.
Бистабильный сенсорный выключатель
Сенсорный выключатель без дребезга
Сенсорный переключатель в схеме с регулируемой вероятностью для лотереи
Бистабильный переключатель
Сенсорный выключатель
Сенсорный выключатель на тиристоре
Сенсорное устройство ввода данных
Сенсорный выключатель на полевом транзисторе и реле
Сенсорный выключатель с памятью
Сенсорный переключатель для управления логическими схемами
Бесконтактный переключатель
Сенсорный пульт управления игрой
Сенсорная игра - Орел-решка
Сенсорный выключатель с использованием таймера
Схема управления аналоговыми коммутаторами
Сенсорная кнопка
Реле, управляемое касанием
Схема сенсорного управления настройкой ЧМ-приемника
Схема автоматического выключения
Сенсорная клавиатура
Сенсорный выключатель
Бесконтактный переключатель
Сенсорный выключатель для музыкальной клавиатуры
Устранение дребезга сенсорного выключателя
Мощный сенсорный выключатель
