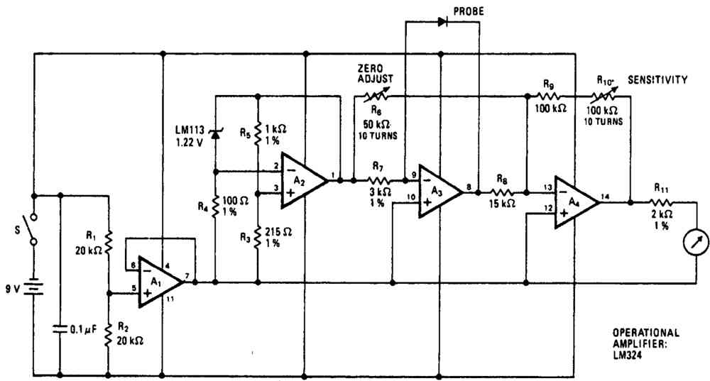
Термометр с точностью до 0,1°С
Температурным датчиком в измерительном щупе термометра является стабилитрон LM113, включенный в измерительный мост на резисторах R3, R4, R5. Элементы А, и А2 четырехэлементного операционного усилителя LM324 обеспечивают стабильным током измерительный стабилитрон, чтобы изменения напряжения на диоде являлись результатом изменения температуры. Напряжение 4,5 В на выходе операционного усилителя А является опорным напряжением для других операционных усилителей. Изменение напряжения на диоде после буферного усилителя А3 приводит к появлению соответствующего напряжения на выходе элемента А4. С помощью резистора R6 устанавливается нулевое значение напряжения в нижнем конце диапазона температуры, а резистором R10 — полный размах или другое желаемое верхнее предельное значение. В схеме используется измерительный прибор с полным отклонением стрелки 1 мА.

Усилитель для термоэлемента
Термометр на 70—80 °С
Электронный термометр с транзисторным датчиком
Термометр для измерения температур в диапазоне от -125 до +200 °С с точностью до 1°
Термометр с использованием позистора
Цифровой 5-разрядный термометр
Датчик разницы температур
Термометр с двухцветным красно-зеленым светодиодным индикатором
Преобразователь температуры в диапазоне 0—100 °F в частоту в пределах 0—1 кГц
Схема установки нуля на выходе термометра
Преобразователь температура-частота
Схема термометра с микросхемой и дифференциальным термоэлементом
Интерфейс преобразователя температуры
Интегратор для тепловой энергии
Усилитель для термоэлемента
Преобразователь температура-частота на микросхеме
Термометр с точностью до 0,1 °С
Преобразователь температура-частота на таймере, управляемом позистором
Цифровой термометр
Совершенный линейный диодный датчик
Дифференциальный термометр
Транзисторный датчик
Измеритель температуры для диапазона от 0 до 100 °С с точностью в 1°
Измерение абсолютной температуры
Термометр
Преобразователь температуры в длительность импульса 52
Измерительный прибор "Горячо/Холодно"
Датчик с парными транзисторами
Измерительный прибор для определения эквивалента ощущения чувства холода на ветру
Преобразователь температуры 125—470 °К в частоту 125—470 Гц
Датчик положения
Схема термометра с преобразователями напряжение-частота, частота-напряжение и цифровым прибором
Анемометр
Микромощный термометр
Преобразователь температура-частота
4-термоэлементный мультиплексный термометр
Мультиплексор для термоэлементов
Датчик-мост
Цифровой термометр со светодиодным индикатором
Термометр с источником опорного напряжения
Термометр с приведением температуры экрана щупа к измеряемой
Термометр для измерения температуры в диапазоне 0—100 °С с точностью 0,15 °С
Термометр с преобразователем напряжение-частота
Термометр для измерения температуры в диапазоне от-55 до +125 °С с точностью ±1°