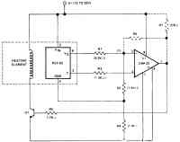
Термометр с источником опорного напряжения
Компаратор высокой точности СМР-02 компании Monolithics, используя при этом ключевой транзистор Q1, включает нагревательный элемент схемы, если температура опускается ниже заданного значения, которое определяется отношением сопротивлений резисторов R1 и R2. Эти резисторы питаются от источника опорного напряжения 5 В на микросхеме REF-02. Схема термометра позволяет обеспечить регулируемую гистерезисную характеристику, характер которой определяется параметрами резисторов R6 и R7, если это свойство требуется. Значения в скобках даны для установки 60 °С. Микросхема REF-02 должна быть соединена с нагреваемой средой термически

Усилитель для термоэлемента
Термометр на 70—80 °С
Электронный термометр с транзисторным датчиком
Термометр для измерения температур в диапазоне от -125 до +200 °С с точностью до 1°
Термометр с использованием позистора
Цифровой 5-разрядный термометр
Датчик разницы температур
Термометр с двухцветным красно-зеленым светодиодным индикатором
Преобразователь температуры в диапазоне 0—100 °F в частоту в пределах 0—1 кГц
Схема установки нуля на выходе термометра
Преобразователь температура-частота
Схема термометра с микросхемой и дифференциальным термоэлементом
Интерфейс преобразователя температуры
Интегратор для тепловой энергии
Усилитель для термоэлемента
Преобразователь температура-частота на микросхеме
Термометр с точностью до 0,1 °С
Преобразователь температура-частота на таймере, управляемом позистором
Цифровой термометр
Совершенный линейный диодный датчик
Дифференциальный термометр
Транзисторный датчик
Измеритель температуры для диапазона от 0 до 100 °С с точностью в 1°
Измерение абсолютной температуры
Термометр
Преобразователь температуры в длительность импульса 52
Измерительный прибор "Горячо/Холодно"
Датчик с парными транзисторами
Измерительный прибор для определения эквивалента ощущения чувства холода на ветру
Преобразователь температуры 125—470 °К в частоту 125—470 Гц
Датчик положения
Схема термометра с преобразователями напряжение-частота, частота-напряжение и цифровым прибором
Анемометр
Микромощный термометр
Преобразователь температура-частота
4-термоэлементный мультиплексный термометр
Мультиплексор для термоэлементов
Датчик-мост
Цифровой термометр со светодиодным индикатором
Термометр с источником опорного напряжения
Термометр с приведением температуры экрана щупа к измеряемой
Термометр для измерения температуры в диапазоне 0—100 °С с точностью 0,15 °С
Термометр с преобразователем напряжение-частота
Термометр для измерения температуры в диапазоне от-55 до +125 °С с точностью ±1°