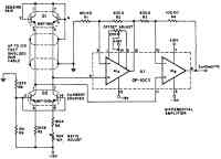
Датчик с парными транзисторами
На приведенной схеме симметричная пара транзисторов QI типа МАТ-01Н компании Precision Monolithics измеряет температуру в диапазоне от -55 до +125 °С с отличной линейностью и долговременной стабильностью. Симметричная пара транзисторов Q2 (МАТ-01Н) — это источник тока для измерительных транзисторов. Комбинация транзисторов позволяет получить разность напряжений на выходе, которая пропорциональна абсолютной температуре. Усилитель на микросхеме OP-10CY превращает эту разность напряжений в униполярный выходной сигнал, который может применяться для измерения или регулирования. Схема может эксплуатироваться непосредственно с цифровым прибором, котооый имеет диапазон измеоения 10 В.

Усилитель для термоэлемента
Термометр на 70—80 °С
Электронный термометр с транзисторным датчиком
Термометр для измерения температур в диапазоне от -125 до +200 °С с точностью до 1°
Термометр с использованием позистора
Цифровой 5-разрядный термометр
Датчик разницы температур
Термометр с двухцветным красно-зеленым светодиодным индикатором
Преобразователь температуры в диапазоне 0—100 °F в частоту в пределах 0—1 кГц
Схема установки нуля на выходе термометра
Преобразователь температура-частота
Схема термометра с микросхемой и дифференциальным термоэлементом
Интерфейс преобразователя температуры
Интегратор для тепловой энергии
Усилитель для термоэлемента
Преобразователь температура-частота на микросхеме
Термометр с точностью до 0,1 °С
Преобразователь температура-частота на таймере, управляемом позистором
Цифровой термометр
Совершенный линейный диодный датчик
Дифференциальный термометр
Транзисторный датчик
Измеритель температуры для диапазона от 0 до 100 °С с точностью в 1°
Измерение абсолютной температуры
Термометр
Преобразователь температуры в длительность импульса 52
Измерительный прибор "Горячо/Холодно"
Датчик с парными транзисторами
Измерительный прибор для определения эквивалента ощущения чувства холода на ветру
Преобразователь температуры 125—470 °К в частоту 125—470 Гц
Датчик положения
Схема термометра с преобразователями напряжение-частота, частота-напряжение и цифровым прибором
Анемометр
Микромощный термометр
Преобразователь температура-частота
4-термоэлементный мультиплексный термометр
Мультиплексор для термоэлементов
Датчик-мост
Цифровой термометр со светодиодным индикатором
Термометр с источником опорного напряжения
Термометр с приведением температуры экрана щупа к измеряемой
Термометр для измерения температуры в диапазоне 0—100 °С с точностью 0,15 °С
Термометр с преобразователем напряжение-частота
Термометр для измерения температуры в диапазоне от-55 до +125 °С с точностью ±1°