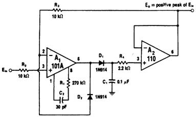
Схема буферизированного пикового детектора
В схеме буферизированного пикового детектора (рис.) ток разряда конденсатора Q минимизируется за счет применения повторителя напряжения с низким значением входного тока и выполненного на операционном усилителе А2. Резистор R3 позволяет микросхеме A1 во время запертого состояния через диод D2 достигать более быстрого нарастания сигнала. Схема работает тючти как идеальный диод, но конденсатор C1 сохраняет напряжение посто янного тока, которое равняется пиковому напряжению Ein на входе. Если напряжение вход ного сигнала проходит через нуль, то после ОУ A1 сигнал проходит далее через диод Du а напряжение на выходе схемы следует за возрастающим сигналом. Если входной сигнал достигает пика и начинает уменьшаться, то конденсатор Q остается заряженным. Для реги страции отрицательных пиков диоды должны быть перевернуты. Если емкость конденсато ра C1 повысить до 1 мкФ, то, чтобы улучшить стабильность схемы, значение сопротивления резистора R1 следует увеличить до 2,7 МОм.
Защищенный ТТЛ-интерфейс
Схема устройства, контролирующего напряжение 12 В постоянного тока
Схема, определяющая два пороговых напряжения 4 и 8 В
Схема, сигнализирующая о падении напряжения ниже определенного уровня
Схема, сигнализирующая об исчезновении напряжения в сети
Схема, сигнализирующая о превышении напряжения определенного уровня
Многоканальная сигнализирующая схема с памятью
Схема, контролирующая напряжение на светодиоде
Схема, определяющая выход периода следования входных импульсов за установленные границы
Схема для обнаружения напряжения вне установленного диапазона
Схема детектора положительных пиковых напряжений
Схема, предупреждающая о низком напряжении питания
Детектор высшей и низшей точек амплитуды напряжения входного сигнала
Схема защиты нагрузки от перенапряжения в сети
Детектор перехода напряжения через нуль с гистерезисом
Схема буферизированного пикового детектора
Детектор прохода напряжения через нуль на логарифмическом усилителе
Схема, срабатывающая при входных напряжениях, находящихся внутри окна пороговых напряжений
Программируемый пиковый детектор напряжения для диапазона от 0 до +/-10 В
Схема для обнаружения двух граничных напряжений
Защелка уровня напряжения
Схема для обнаружения уровней напряжения со светодиодной индикацией
Пиковый детектор для сигналов с напряжением 5 В и частотой до 2 МГц
Схема отображения уровня напряжения сигнала на светодиоде
Схема контроля напряжений
Детектор прохода через нуль сетевого переменного напряжения
Триггерная схема на таймере 555
Схема для мгновенного определения верхнего предельного значения напряжения....363
Схема визуальной сигнализации при низком значении напряжения
Звуковой сигнализатор для морозилки
Схема детектора порогового напряжения в диапазоне от ±1,5 до ±7,5 В
Детектор диапазона пороговых напряжений
Схема, определяющая моменты времени при проходе входного переменного сигнала через нуль
