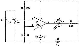
Схема отображения уровня напряжения сигнала на светодиоде
Представленную схему (рис.) настраивают так, что операционный усилитель включает светодиод при желаемом уровне напряжения, который устанавливается с помощью потен циометра R1. Для получения максимального усиления операционный усилитель использу ется без сопротивления в обратной связи. Таким образом, маленький входной сигнал обес печивает на выходе очень большой сигнал. С приведенными на схеме значениями сопро тивлений для резисторов R2 и R3 напряжение включения для светодиода равно 0,9 В.
Защищенный ТТЛ-интерфейс
Схема устройства, контролирующего напряжение 12 В постоянного тока
Схема, определяющая два пороговых напряжения 4 и 8 В
Схема, сигнализирующая о падении напряжения ниже определенного уровня
Схема, сигнализирующая об исчезновении напряжения в сети
Схема, сигнализирующая о превышении напряжения определенного уровня
Многоканальная сигнализирующая схема с памятью
Схема, контролирующая напряжение на светодиоде
Схема, определяющая выход периода следования входных импульсов за установленные границы
Схема для обнаружения напряжения вне установленного диапазона
Схема детектора положительных пиковых напряжений
Схема, предупреждающая о низком напряжении питания
Детектор высшей и низшей точек амплитуды напряжения входного сигнала
Схема защиты нагрузки от перенапряжения в сети
Детектор перехода напряжения через нуль с гистерезисом
Схема буферизированного пикового детектора
Детектор прохода напряжения через нуль на логарифмическом усилителе
Схема, срабатывающая при входных напряжениях, находящихся внутри окна пороговых напряжений
Программируемый пиковый детектор напряжения для диапазона от 0 до +/-10 В
Схема для обнаружения двух граничных напряжений
Защелка уровня напряжения
Схема для обнаружения уровней напряжения со светодиодной индикацией
Пиковый детектор для сигналов с напряжением 5 В и частотой до 2 МГц
Схема отображения уровня напряжения сигнала на светодиоде
Схема контроля напряжений
Детектор прохода через нуль сетевого переменного напряжения
Триггерная схема на таймере 555
Схема для мгновенного определения верхнего предельного значения напряжения....363
Схема визуальной сигнализации при низком значении напряжения
Звуковой сигнализатор для морозилки
Схема детектора порогового напряжения в диапазоне от ±1,5 до ±7,5 В
Детектор диапазона пороговых напряжений
Схема, определяющая моменты времени при проходе входного переменного сигнала через нуль
