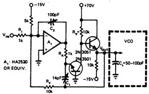
Простой задающий генератор для ГУН
Схема (рис.) обеспечивает на выходе усиленный сигнал от 60 VSs на частоте более 1 МГц. Скорость изменения сигнала составляет 200 В/мкс и диапазон частот— 5 МГц при малых сигналах. В схеме используется быстродействующий операционный усилитель, буфер напряжения и простая техника коррекции. Стабильность подстраивается конденсато ром С2, а с помощью конденсатора С\ устанавливается время нарастания и диапазон частот.
Генератор, управляемый напряжением с двумя выходными сигналами, жестко сдвинутыми по фазе на 90°
Точная дистанционная настройка генератора
Линейный ГУН для диапазона от 0 до 10 кГц
ГУН с быстродействующей синхронизацией
Линейный ГУН
Схема управления включением ГУН
Линейный генератор, управляемый напряжением
ГУН на номинальную частоту 1 кГц
ГУН для диапазона 0—10 кГц при напряжении управления 0—10 В
Экспоненциальный ГУН
Настройка частоты генератора посредством реактивного сопротивления
Подстройка частоты кварцевого резонатора с помощью управляющего напряжения
Высокоскоростной управляемый напряжением задающий генератор
Генератор с частотой 52 МГц и частотной модуляцией на варикапе
Синусоидальный генератор с частотой 1,5—2,5 кГц
Простой задающий генератор для ГУН
Высокостабильный линейный ГУН
Схема ГУН с удвоенным диапазоном управления
Квадратурный ГУН на умножителях
