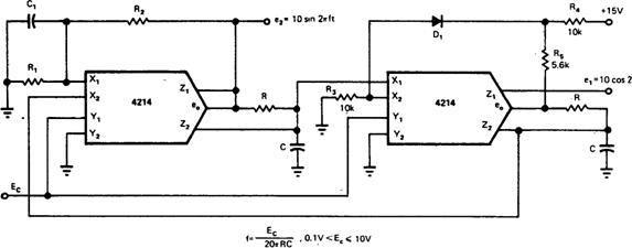
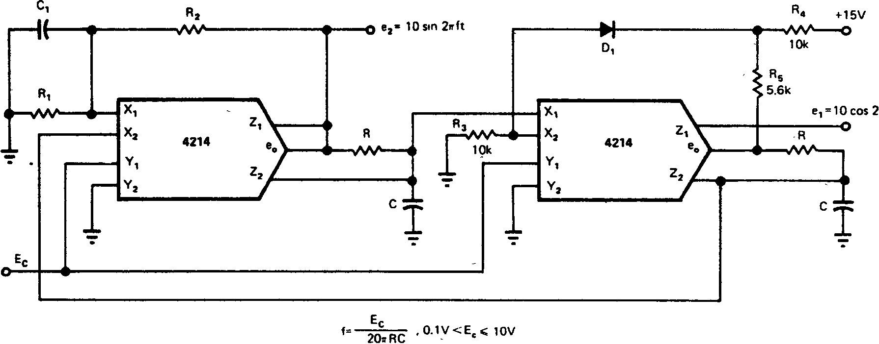
Квадратурный ГУН на умножителях
Дифференциальные умножители на ИС типа 4214 (рис.) устраняют необходимость применять операционный усилитель для квадратурного генератора, в то время как частотой управляют с помощью напряжения Ес от внешнего источника постоянного тока. Резисторы R3, R4, R5 и диод D1 образуют диодный ограничитель, в то время как резисторы Rb R2 и конденсатор С1 образуют положительную обратную связь, чтобы поддерживать колебания. Значение сопротивления резистора R1 должно быть приблизительно равно сопротивлению резистора R, R2 — примерно 20-R, а емкость конденсатора С1 — примерно емкости ЮС. Резистор R2 установлен для лучшей регулировки отношения между скоростью переходного процесса и нелинейными искажениями.
Генератор, управляемый напряжением с двумя выходными сигналами, жестко сдвинутыми по фазе на 90°
Точная дистанционная настройка генератора
Линейный ГУН для диапазона от 0 до 10 кГц
ГУН с быстродействующей синхронизацией
Линейный ГУН
Схема управления включением ГУН
Линейный генератор, управляемый напряжением
ГУН на номинальную частоту 1 кГц
ГУН для диапазона 0—10 кГц при напряжении управления 0—10 В
Экспоненциальный ГУН
Настройка частоты генератора посредством реактивного сопротивления
Подстройка частоты кварцевого резонатора с помощью управляющего напряжения
Высокоскоростной управляемый напряжением задающий генератор
Генератор с частотой 52 МГц и частотной модуляцией на варикапе
Синусоидальный генератор с частотой 1,5—2,5 кГц
Простой задающий генератор для ГУН
Высокостабильный линейный ГУН
Схема ГУН с удвоенным диапазоном управления
Квадратурный ГУН на умножителях
