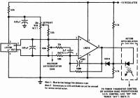
Опережающий регулятор
Схема регулятора добавляет множество стадий опережающего сигнала к нормально усиленному выходу температурного датчика LX5700 от фирмы National, чтобы, по меньшей мере, частично компенсировать измерительные задержки. Коэффициент усиления по постоянному напряжению операционного усилителя LM216 будет установлен на значение, равное 10, с помощью резисторов с сопротивлением 10 и 100 мОм, что дает в итоге 1 В/°С на выходе операционного усилителя. Выход операционного усилителя активирует оптрон, который управляет обычным терморегулятором.

Регулятор для электроплиток
Дозирующий регулятор
Регулирование температуры печи
Регулятор температуры печи от 75 до 250 °С
Семисторный регулятор для нагревателя
Регулятор с диодным датчиком
Пропорциональный регулятор хлебопекарной печи
Регулятор с точностью до 0,001 °С
Регулятор с временным пропорциональным регулированием
Регистратор разницы температур
Регулятор для термостата кварцевого резонатора
Тиристорный регулятор с импульсно-фазовым управлением
Переключатель с малой мощностью рассеивания
Термопара с переключателем, срабатывающем при переходе питающего напряжения через нуль
Регулятор для отопления помещения
Термостат на температуру 75 °С для кварцевого резонатора
Регулятор температуры для ванны с точностью до 0,000075 °С
Нагреватель с фазовым регулированием и без электромагнитных помех
Датчик для тепловых циклов
Детектор разницы температур
Регулятор температуры нагревателя печи с точностью до 0,0000033 °С
Регулятор, использующий измерительный мосте позистором
Опережающий регулятор
Коррекция перегрузки
Термостат для кварцевого резонатора
Регулятор с компаратором на операционном усилителе с точностью ±1°